EasyManua.ls Logo

Hakko Electronics FR-702 - OPERATION (Hot air); Air Blow; Setting of the air flow; Setting;Changing the Temperature and Timer

Hakko Electronics FR-702
72 pages
Print Icon
To Next Page IconTo Next Page
To Next Page IconTo Next Page
To Previous Page IconTo Previous Page
To Previous Page IconTo Previous Page
Loading...
46
WARNING
Do not stop the hot air by turning the power switch OFF.
If power is turned off after use, there will be no cool-down. To avoid damage to the equipment, do not turn
the power switch OFF until appears on the display.
Press the
button.
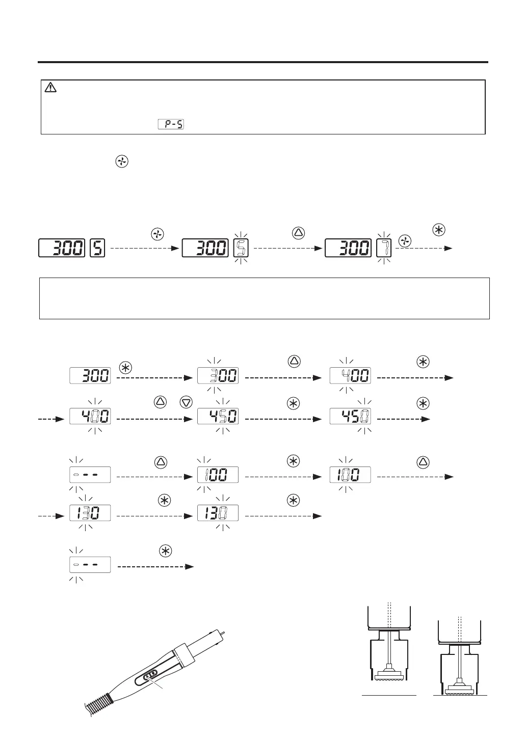
Setting of the air flow
Pressing the button in the station causes the LED for AIR display to blink and allows
you to change air flow. The air flow setting range is 1 to 9.
Actual airflow may be affected by the size and shape of the nozzle(s) used.
1. Setting the Temperature (from 300℃ to 450℃)
2. Setting the Timer (from --- to 130sec)
Example: Changing the air flow setting from 5 to 7
Example : When the set temperature is 300°C and the timer setting is ---.
Finished
Setting/Changing the Temperature and Timer
NOTE:
After accepting the value for the ones digit for temperature, you will have the option to set the timer
starting over with the hundreds digit. The factory default : "Temperature 300℃" "Timer ーーー(No setting)"
Setting the
Timer
Press the or
button 5 times.
Press the
button twice.
Press the
button once.
Press the
button twice.
Press the
button.
Press the
button.
Press the
button.
Press the
button.
Press the
button once.
Press the or
button.
Press and hold the
button for more
than one second.
Press the
button 3 times.
* When you want to leave the timer "ーーー".
Finished
Each of the set values is displayed for
one second, and each change is finalized.
Press the
button.
Press the
button.
※Vacuum Function
Press the V (Vacuum) button on the handpiece. The vacuum
pump turns ON and the part is held by suction.
P.W.B. P.W.B.
V button

Related product manuals