EasyManua.ls Logo

Hanbell RTM-090 - Liquid Returned from Motor and Bearings

Hanbell RTM-090
39 pages
Print Icon
To Next Page IconTo Next Page
To Next Page IconTo Next Page
To Previous Page IconTo Previous Page
To Previous Page IconTo Previous Page
Loading...
[文件標題] [日期]
22
Vol. 1.2 © 2020 Hanbell Precise Machinery Co., Ltd.
All rights reserved
Note: To avoid interference, signal control cable must installed shielded wire.
Figure 4.3 Pt100 thermostat
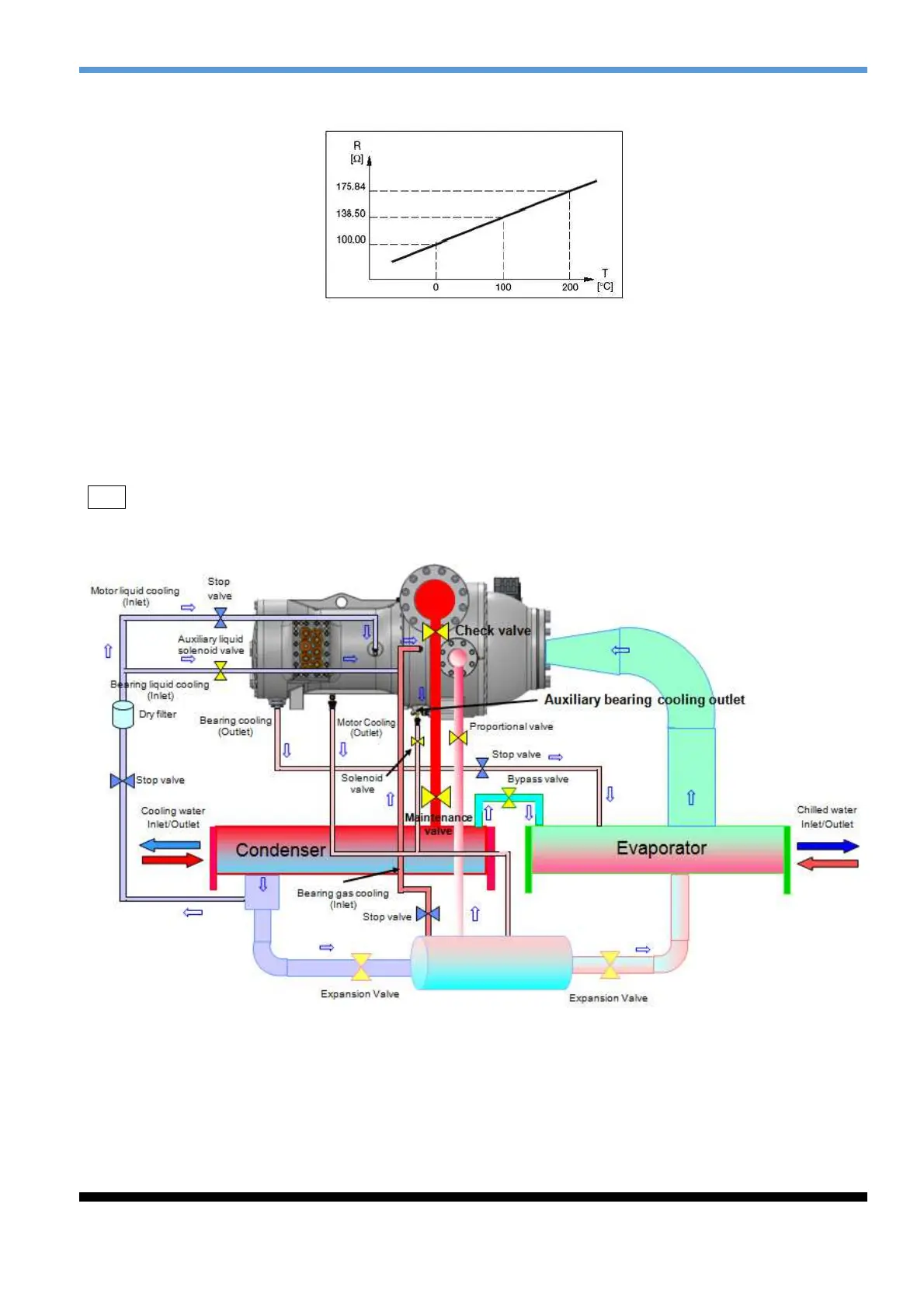
4.2 Liquid returned from motor and bearings
The piping connection is showing in Figure 4.4
Motor Cooling Outlet is connected to Economizer
Bearing Cooling Outlet is connected to Evaporator
NoteBearing Cooling Outlet is connected to Evaporator, to reduce the pressure inside motor chamber.
Figure 4.4 Cooling system

Related product manuals