EasyManua.ls Logo

Hanbell RTM-090 - Chapter 5. Control line connection

Hanbell RTM-090
39 pages
Print Icon
To Next Page IconTo Next Page
To Next Page IconTo Next Page
To Previous Page IconTo Previous Page
To Previous Page IconTo Previous Page
Loading...
[文件標題] [日期]
27
Vol. 1.2 © 2020 Hanbell Precise Machinery Co., Ltd.
All rights reserved
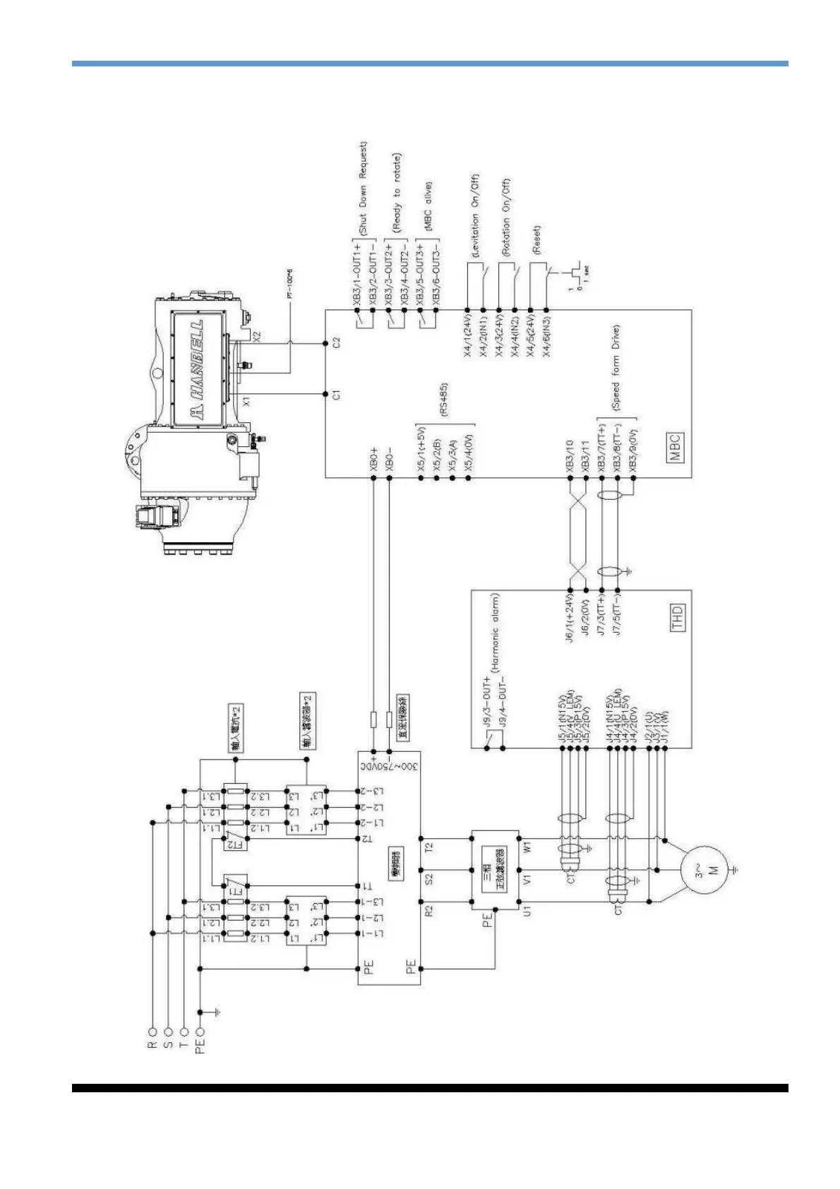
5. Control line connection
MBCTHD typical I/O connections

Related product manuals