EasyManua.ls Logo

HANKISON SPX HES800 - 7 Drawings: Electrical Schematics; Model 800

Default Icon
48 pages
Print Icon
To Next Page IconTo Next Page
To Next Page IconTo Next Page
To Previous Page IconTo Previous Page
To Previous Page IconTo Previous Page
Loading...
27
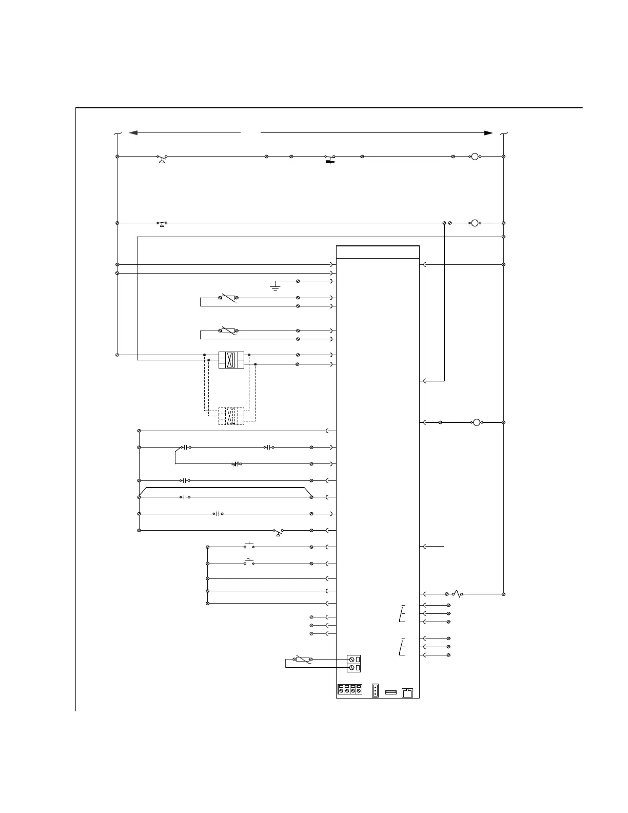
DRAWINGS: ELECTRICAL SCHEMATIC
Model 800
Sheet 2 of 2
02
A
04
06
08
10
12
14
16
18
20
22
24
26
28
30
32
34
36
38
40
42
44
46
48
50
52
54
56
58
60
62
64
66
68
B C D E F G H J K L M N P Q
JUMP
** JUMPER FOR SINGLE DRAIN APPLICATION
JUMP
TB2-11
TB2-10
TB2-9
TB2-8
TB2-7
TB2-5
TB2-37
TB2-2
TB2-32
TB2-2
TB2-26
TB2-19
TB2-2
TB2-1
TB2-1
TB2-1
TB2-1
TB2-26
TB2-26
TB2-26
TB2-26
TB2-26
TB2-25
TB2-25
TB2-25
TB2-25
TB2-25
TB2-39
TB2-36
TB2-36
TB2-32
TB2-37
CABLE
9-PIN RS232
TB2-32
TB2-1
TB2-3
TB2-4
TB2-19
TB2-5
TB2-18
TB2-17
TB2-16
TB2-15
TB2-14
TB2-13
TB2-11
TB2-10
TB2-23
TB2-22
TB2-21
TB2-2
TB2-36
ALARM B
MONITORING
TB2-2
24VAC
ALARM A
COMPRESSOR STOP
COMPRESSOR CONTACTOR
REFRIGERANT HI PRES.
RELAY
FAN CONTACTOR
TB2-9
TB2-7
K62X-NO
TB2-8
TB2-26
23
22
21
18
17
16
15
14
13
TB2-2
TB2-2
TB2-2
TB2-12
TB2-1
TB2-2
TB2-31
TB2-4
TB2-3
TB2-1
NO COM
NO COM
TB2-36
OPTIONAL
CLSC DRAIN
STD DRAIN
TEMP. 1 FAN 1
-S43.1
TB2-31
PRES. 1 FAN 1
-S43
TB2-2
OX
LOCAL REMOTE
START/STOP
REFRIGERANT HI PRES.
-S67
-A55
-A51
-S62
-A55
-A51
PE
IN1OV
N
L
PE
IN1OV
N
L
UNLOADING
SOLENOID
A1 A2
A1 A2
A2A1
9
5
31 32
1411
4443
W29
W33 COMMON
C
NC
NO
C
NC
NO
J2
-K43
COMMON
DRAIN COMMON
CONTROL BOARD
-A60
PHASE
CHECK
DRAIN TEST
LOCAL/REMOTE SELECTION
REMOTE START/STOP
REFRIGERANT LOW PRESSURE
REFRIGERANT HIGH PRESSURE
DRAIN 2 ALARM
DRAIN 1 ALARM
HEATER ENERGIZED
COMPRESSOR ENERGIZED
-K62
W11
-K62
W9
-F11
-K62
W8
-K61
W10
W15
W14
W13
W23
-K61
W22
W30
W36
W35
W34
W19
W20
W21
W26
W27
NEUTRAL W2W1 LINE
W31
W32
W16
W17
W18
W38
YZBA
J8
RS-485
J2
ETHERNET
USB
RS-232
EVAPORATOR OUTLET
SENSOR
EVAPORATOR
OUTLET RTD
W7
W6
TB10-3
TB10-4
-B62
DISCHARGE TEMP SENSOR
TB10-3
TB10-4
TB10-2
TB10-1
TB10-2
TB2-PE
TB10-1
EVAPORATOR TEMP SENSOR
-B61
W4
W5
W3 GND
FU22.2
SHT#1 60K
SHT#1 58K
J4

Related product manuals