EasyManua.ls Logo

HANKISON SPX HES800 - Model 3000

Default Icon
48 pages
Print Icon
To Next Page IconTo Next Page
To Next Page IconTo Next Page
To Previous Page IconTo Previous Page
To Previous Page IconTo Previous Page
Loading...
34
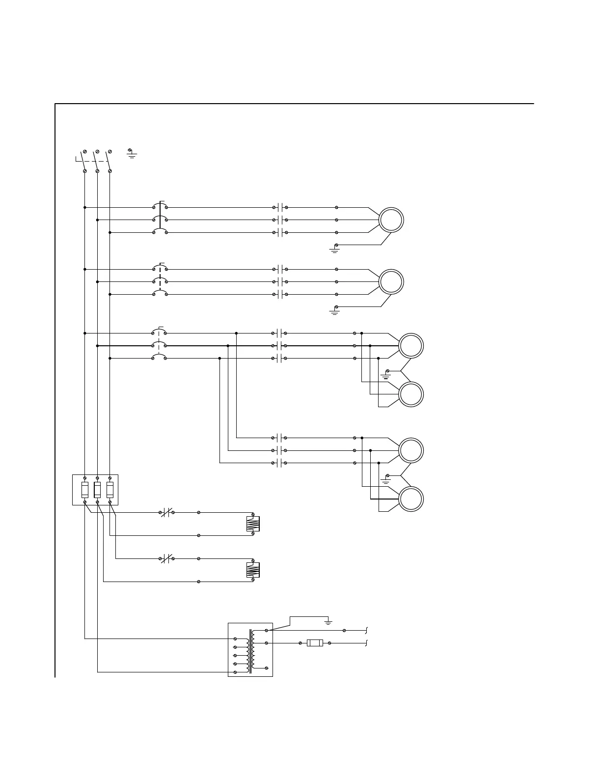
DRAWINGS: ELECTRICAL SCHEMATIC
Model 3000
Sheet 1 of 2
02
A
04
06
08
10
12
14
16
18
20
22
24
26
28
30
32
34
36
38
40
42
44
46
48
50
52
54
56
58
60
62
64
66
68
B C D E F G H J K L M N P Q
(12 AWG) (10 AWG)
TB1-PE
40A
L1
L2
-Q00
L3
L1-2
L2-2
L3-2
L1-2A
L2-2A
L3-2A
TB1-4
TB1-5
TB1-6
TB1-PE
(10 AWG)
(12 AWG)
TB1-11
TB1-9
TB1-7
L3-3A
L2-3A
L1-3A
L3-3
L2-3
L1-3
TB1-PE
TB1-3
TB1-2
L3-1A
L2-1A
L3-1
L2-1
L3-5
L2-5
TB1-21
TB1-22
L3-5A
L1-5A
L3-5
L1-5
TB1-20
TB1-19
(10 AWG)
TB1-17
TB1-15
TB1-13
L3-4A
L2-4A
L1-4A
M
COMPRESSOR 2
460 VAC, 3PH
6 HP, 9.1 RLA
FAN 1
1.05 KW
460 VAC
1.8 FLA
M
COMPRESSOR 1
460 VAC, 3PH
6 HP, 9.0 RLA
M
HEATER 2
70 W
460 VAC
0.15A
HEATER 1
70 W
460 VAC
0.15A
TB1-PE
FAN 3
1.05 KW
460 VAC
1.8 FLA
M
TB1-PE
FAN 2
1.05 KW
460 VAC
1.8 FLA
M
FAN 4
1.05 KW
460 VAC
1.8 FLA
M
21 22
-K63
2221
-K62
TB1-1
ON -T22
**MOUNTED
-F22
-F22C
-F22B
-F22A
1A
1A
1A
7 - 10 AMP
(SET @ 9A)
-K63
-F12
17A
17A
17A
-F13
-K43
5.5 - 8 AMP
(SET @ 7.2A)
7 - 10 AMP
(SET @ 9A)
-F11
-K62
17A
-K45
L1-1 L1-1A
FU22.1
5A
FU22
24V
120V
460V
400V
230V
208V
COM
FU22.2
N
PLEASE NOTE:
FOR OPERATION 380-400VAC/3PH/50HZ,
MOVE PRIMARY TO 400VAC TAP.
-T22
24/120 VAC SECONDARY
208/230/400/460 VAC PRIMARY
100VA
CONNECT TO BACKPANEL
TB2-1
SHT#2 4B
SHT#2 4N
ELECTRICAL SUPPLY
480VAC/3PH/60HZ/GND

Related product manuals