EasyManua.ls Logo

Harman Kardon AVR 1600

Harman Kardon AVR 1600
160 pages
To Next Page IconTo Next Page
To Next Page IconTo Next Page
To Previous Page IconTo Previous Page
To Previous Page IconTo Previous Page
Loading...
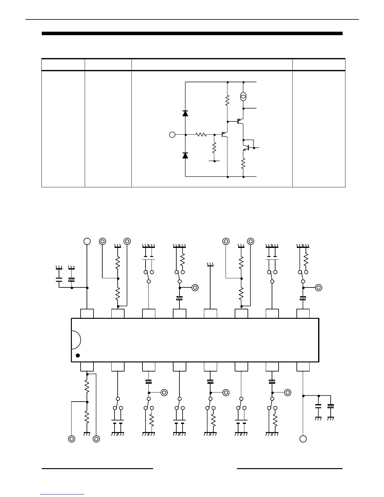
NJM2595
EQUIVALENT CIRCUIT
PIN No. PIN NAME INSIDE EQUIVALENT CIRCUIT VOLTAGE
14
10
SW1
SW2
4k
32k
16k
Gnd
Vcc
Vee
SW
20k
-
TEST CIRCUIT
Vout3.1
+
Vin2
SW2
Vout3
GND
Vin1
SW1
Vout2
V
+
V
-
Vin3
SW4
Vin4
SW3
Vin5
SW5
Vout1
SW2
V
+
Vin2
75
Ω
10µF
9
8765432
16 15 14 13 12 11
10
+
75
Ω
+
Vin1
10µF
75
Ω
75
Ω
Vout3.2
SW1
V
CH
V
CL
V
CL
V
CH
75
Ω
75
Ω
Vout2.2 Vout2.1
V
-
+
+
Vin3
10µF
75
Ω
SW4
V
CH
V
CL
+
Vin4
10µF
75
Ω
SW3
V
CH
V
CL
+
Vin5
10µF
75
Ω
SW5
V
CL
V
CH
75
Ω
75
Ω
Vout1.2 Vout1.1
0.1µF
100µF
0.1µF
100µF
AVR1600 harman/kardon
135

Other manuals for Harman Kardon AVR 1600

Related product manuals