EasyManua.ls Logo

Harman Kardon AVR 1600

Harman Kardon AVR 1600
160 pages
To Next Page IconTo Next Page
To Next Page IconTo Next Page
To Previous Page IconTo Previous Page
To Previous Page IconTo Previous Page
Loading...
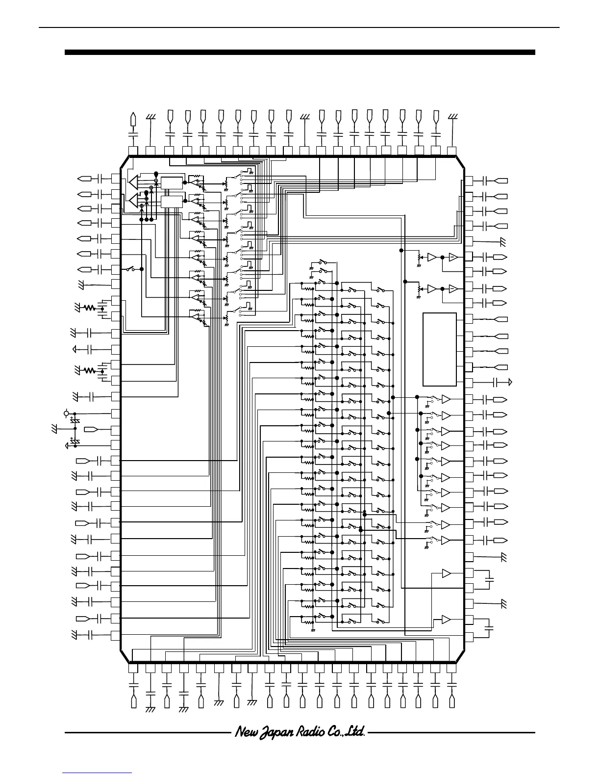
NJW1197C
APPLICATION CIRCUIT
SWBIN
RBBIN
LBBIN
RSBIN
LSBIN
CBIN
RBIN
LBIN
RBAIN
LBAIN
RSAIN
LSAIN
CAIN
RAIN
100µF
FIL_TR
GND
V+
V-
REC_A1L
REC_A1R
REC_A2L
REC_A2R
REC_A3L
REC_A3R
REC_A4L
REC_A4R
REC_B1L
REC_B1R
RBOUT
SWOUT
FIL_BL1
FIL_TL
FIL_BR1
ROUT
COUT
LSOUT
RSOUT
LBOUT
RBCIN
LBCIN
RSCIN
LSCIN
R3IN
VDDOUT
LATCH
CLOCK
DATA
GND
GND
10µF
10µF
10µF
10µF
10µF
10µF
10µF
10µF
10µF
10µF
10µF
10µF
10µF
10µF
10µF
10µF
10µF
10µF
10µF
10µF
10µF
10µF
10µF
10µF
10µF
10µF
10µF
10µF
10µF
10µF
10µF
10µF
10µF
10µF
10µF
100µF
1
2
3
4
5
6
7
8
9
10
11
12
13
14
15
16
17
18
19
20
21
22
23
24
25
26
27
28
29
30
31 32 33
34 35
36
37 38
39
40
41
42
43
44
45
46
47
48
49 50
51
52
53
54
55
56
57
58
59
60
61
62
63
64
65
66
67
68
69
70
71
72
73
74
75
76
77
78
79
80
82
83 84
85
8687
8889
91
929394
95 96
97
98
90
81
99
100
LAIN
10µF
DCCAP_C
47µF
10µF
10µF
10µF
10µF
10µF
FL+
FL-
FR+
FR-
DCR_IN
DCR_OUT
DCL_IN
DCL_OUT
10µF
R4IN
R81IN
R11IN
R7IN
R10IN
L8IN
L11IN
R6IN
R9IN
L7IN
L10IN
R5IN
L6IN
L9IN
L5IN
GND
GND
L4IN
L3IN
DCCAP_LS
47µF
10µF
R2IN
DCCAP_RS
47µF
10µF
L2IN
DCCAP_LB
47µF
10µF
R1IN
DCCAP_RB
47µF
10µF
L1IN
DCCAP_SW
47µF
10µF
10µF
10µF
10µF
10µF
10µF
10µF
10µF
10µF
10µF
10µF
10µF
10µF
10µF
10µF
10µF
10µF
47µF
47µF
DCCAP_R
DCCAP_L
10µF
LOUT
10µF
A
DR
MUTE
GND
FIL_BL2
FIL_BR2
10µF
1µF
3.3nF
100nF
4.7µF
4.7k
TCAP
3.3nF
100nF
4.7µF
4.7k
GND
1µF
10µF
(V-)
(V-)
TONE
TONE
Control Logic
AVR1600 harman/kardon
85

Other manuals for Harman Kardon AVR 1600

Related product manuals