EasyManua.ls Logo

haTmed Q50B - Safety Device Description; Piping System Schematic Diagram

haTmed Q50B
40 pages
Print Icon
To Next Page IconTo Next Page
To Next Page IconTo Next Page
To Previous Page IconTo Previous Page
To Previous Page IconTo Previous Page
Loading...
- 32 -
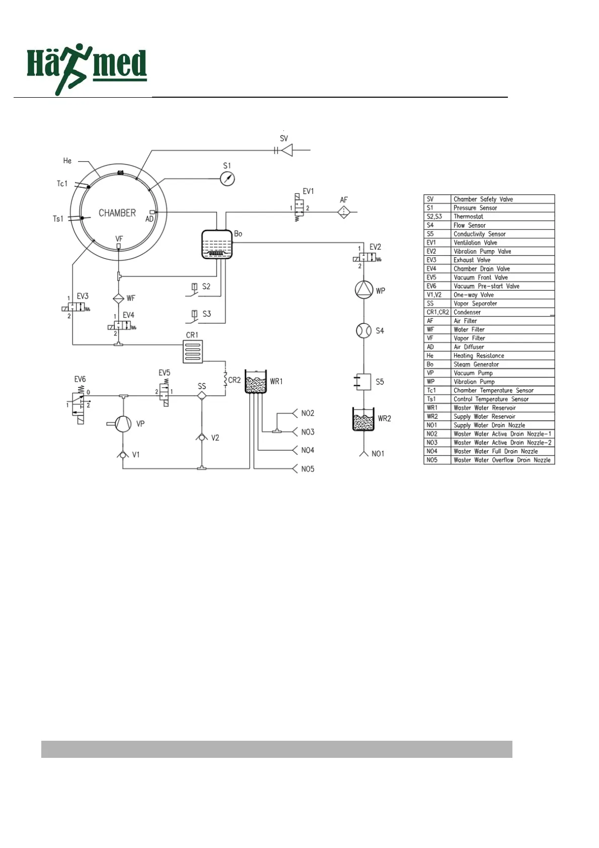
Pipingsystemschematic
Appendix3Electricalschematicdiagram

Table of Contents

Related product manuals