EasyManua.ls Logo

hawa Concepta 40 - Planning; Planning: Inset doors

hawa Concepta 40
60 pages
Print Icon
To Next Page IconTo Next Page
To Next Page IconTo Next Page
To Previous Page IconTo Previous Page
To Previous Page IconTo Previous Page
Loading...
17
HAWA Concepta 40/50
6 Planung /
6
Planification /
6
Planning /
6
Progettazione
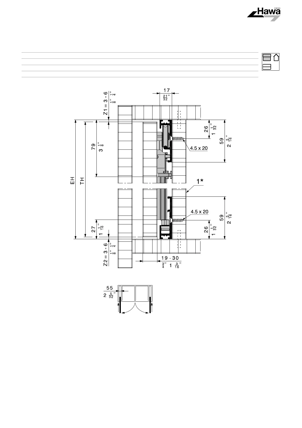
6.1
DE Planung: Türe einliegend
FR Planification : Porte intégrée au corps
EN Planning: Inset doors
IT Progettazione: Anta all'interno
1* DE Seite demontierbar / FR Côte démontable / EN Removable side / IT Lato smontabile

Other manuals for hawa Concepta 40

Related product manuals