EasyManua.ls Logo

hawa Concepta 40 - Planning: Doors closing against base and top section with Connector 110

hawa Concepta 40
60 pages
Print Icon
To Next Page IconTo Next Page
To Next Page IconTo Next Page
To Previous Page IconTo Previous Page
To Previous Page IconTo Previous Page
Loading...
20
HAWA Concepta 40/50
6.4
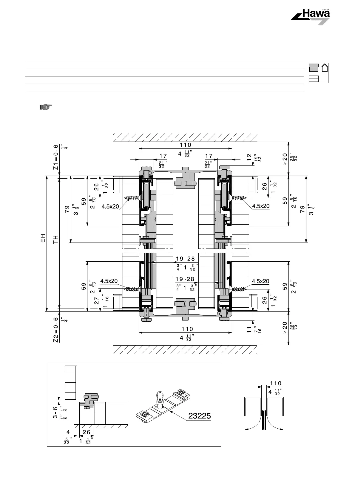
DE Planung: Türe auf Boden und Oberboden aufschlagend mit Connector 110
FR Planification : Porte allant du sol au plafond avec Connector 110
EN Planning: Doors closing against base and top section with Connector 110
IT Progettazione: Ante appoggiate su fondo e cielo con Connector 110
DE Maximale Türdicke 28 mm / FR Epaisseur de porte maximale 28 mm / EN Maximum door thickness 28 mm ( ")
IT Spessore anta max. 28 mm
1
8
--

Other manuals for hawa Concepta 40

Related product manuals