EasyManua.ls Logo

Hellenbrand WM1-16M - Page 16

Hellenbrand WM1-16M
20 pages
Print Icon
To Next Page IconTo Next Page
To Next Page IconTo Next Page
To Previous Page IconTo Previous Page
To Previous Page IconTo Previous Page
Loading...
16
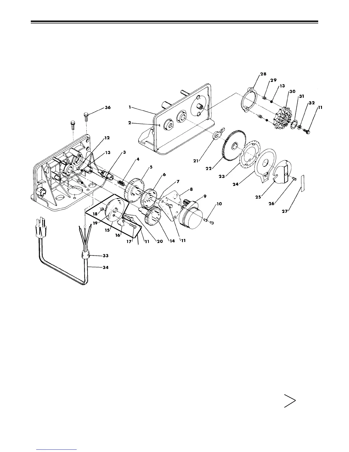
CONTROL VALVE POWERHEAD ASSEMBLY
TIME CLOCK REGENERATION MODEL
ITEM NO. NO. REQ'D
PART NO. DESCRIPTION
1 ......... 1 ................ 102218 ........Drive Panel
2 ......... 1 ................ 101966 ........Label
3 ......... 1 ................ 106492 ........Idler Shaft
4 ......... 1 ................ 106496 ........Spring - Idler
5 ......... 1 ................ 102306 ........Idler Gear
6 ......... 1 ................ 106493 ........Drive Gear
7 ......... 1 ................ 102873 ........Curved Washer
8 ......... 1 ................ 102307 ........Motor Mounting Plate
9 ......... 1 ................ 102094 ........Motor
10 ......... 3 ................ 102482 ........Screw – Motor Mounting
11 ......... 5 ................ 102468 ........Hex Screw – Mounting
12 ......... 2 .............49-14457 ........Detent Spring
13 ......... 4 ................ 106494 ........Ball – 1/4" Diameter
14 ......... 1 ................ 101741 ........Main Gear & Shaft
15 ......... 1 ................ 101356 ........Brine Cam
16 ......... 1 .....................................Cam Segment (Sold with #15)
17 ......... 1 .............49-11980 ........Screw
18 ......... 1 .............49-11081 ........Nut
19 ......... 1 ................ 101978 ........Salt Label 3-16
............................ 101979 ........Salt Label 6-32
20 ......... 1 ................ 102866 ........Washer
ITEM NO. NO. REQ'D
PART NO. DESCRIPTION
21 ......... 1 .............49-13011 ........Cycle Actuator Gear
22 ......... 1 .............49-13009 .......24 Hour Gear
23 ......... 1 ................ 101956 ........24 Hour Label
24 ......... 1 ................ 101486 ........Valve Position Dial - Standard Piston
......... 1 .............49-14278 ........Valve Position Dial-Low Water Piston
25 ......... 1 ................ 101947 ........Control Knob
26 ......... 1 ................ 102462 ........Screw
27 ......... 1 ................ 101964 ........Label Knob
28 ......... 1 ................ 102434 ........Skipper Wheel Ring
29 ......... 2 ................ 106495 ........Spring – Skipper Wheel 12-Day
30 ......... 1 ................ 102889 ........Skipper Wheel Assembly
31 ......... 1 .............49-13429 ........Skipper Wheel Label
32 ......... 1 .............49-13014 ........Regeneration Pointer
33 ......... 1 ................ 102566 ........Strain Relief
34 ......... 1 .............49-11842 ........Power Cord
35 ......... 2 .............65-60080 ........Wire Nut
36 ......... 2 ................ 102467 ........Screw – Drive Mounting
37 ......... 1 ................ 101440 ........Cover
38 ......... 1 ................ 100843 ........Label Front Cover
39 ......... 1 ................ 101977 ........Label Back Cover
(1-36) ........ 1 ................ 102343 ........Complete Assembly
40 ......... 1 ................ 101357 ........Brine Cam Assembly
Not
Shown
40
Figure 15

Related product manuals