EasyManua.ls Logo

Hirschmann BRS30-0804 Series - Device Views; Front View

Hirschmann BRS30-0804 Series
80 pages
Print Icon
To Next Page IconTo Next Page
To Next Page IconTo Next Page
To Previous Page IconTo Previous Page
To Previous Page IconTo Previous Page
Loading...
22
Installation BRS20/30/40/50
Release
02
11/2018
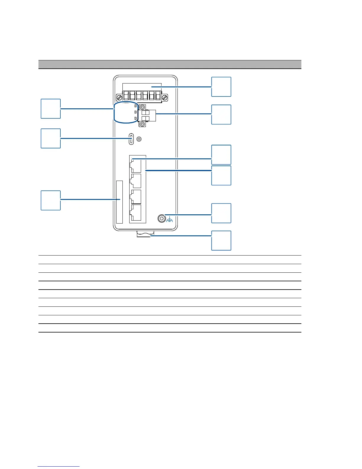
1.3 Device views
1.3.1 Front view
BRS20-04009999-xxC...
1 6-pin terminal block with screw lock for redundant power supply and signal contact
2 2-pin terminal block with screw lock for the digital input
3 LED display elements for port status
4 4 × RJ45 socket for 10/100 Mbit/s Twisted pair connections
5 Grounding screw
6 Rail lock slide for DIN rail mounting
7 Label area for IP address of device
8 USB-C interface
9 LED display elements for device status
1
2
5
6
8
9
7
1
2
3
4
IP-ADRESS
3
4
Power
Status
ACA
Input
USB

Table of Contents

Related product manuals