EasyManua.ls Logo

Hitachi NT 32AE2 - Page 27

Hitachi NT 32AE2
30 pages
Print Icon
To Next Page IconTo Next Page
To Next Page IconTo Next Page
To Previous Page IconTo Previous Page
To Previous Page IconTo Previous Page
Loading...
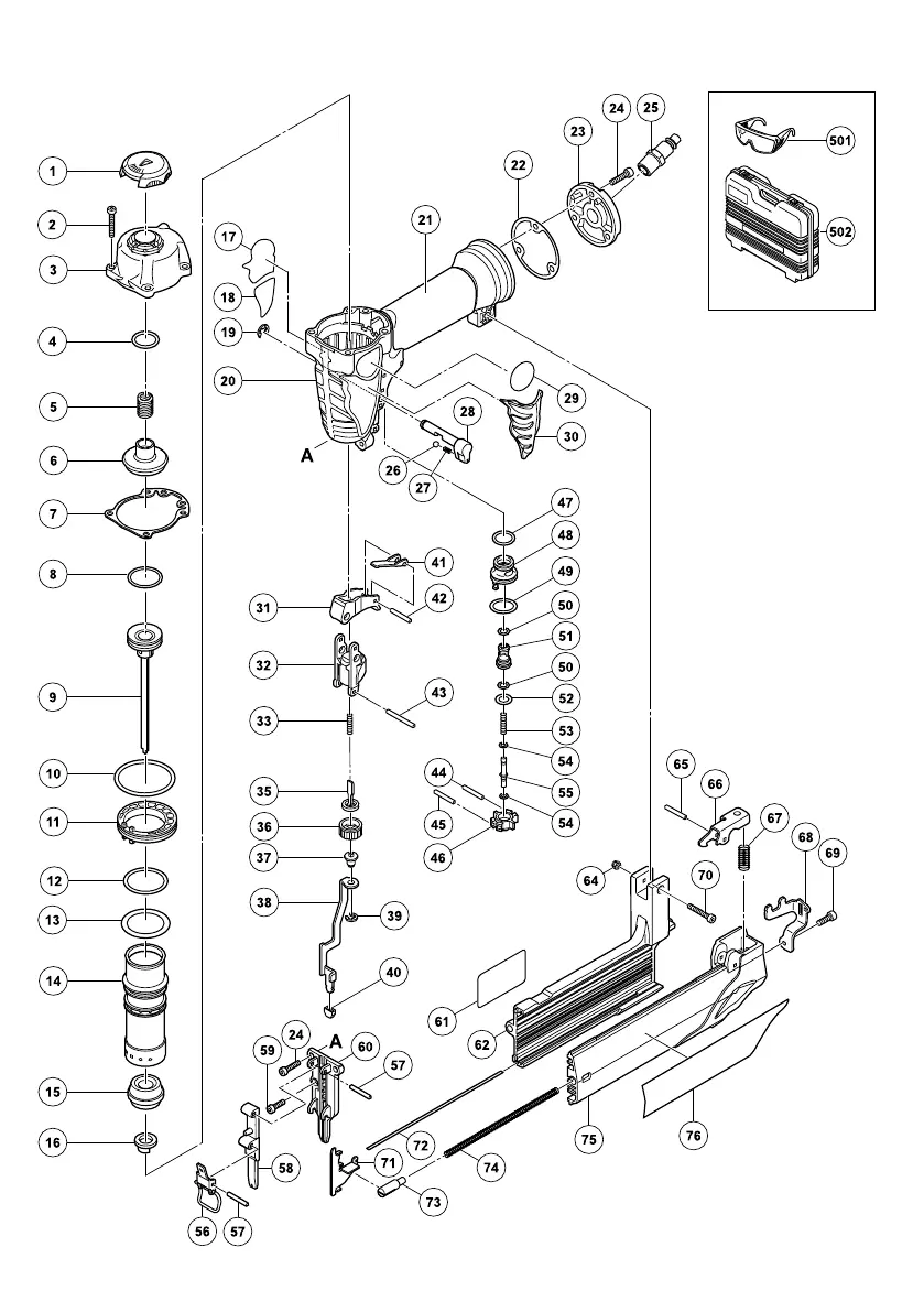
NT50AE2
04Back_NT50AE2M2_US 10/4/06, 15:4880

Related product manuals