EasyManua.ls Logo

Hitachi ZAXIS 70LC - Hydraulic Circuit and Electrical Circuit; Hydraulic Circuit Zaxis70, 70 Lc, 85 Us

Hitachi ZAXIS 70LC
317 pages
Print Icon
To Next Page IconTo Next Page
To Next Page IconTo Next Page
To Previous Page IconTo Previous Page
To Previous Page IconTo Previous Page
Loading...
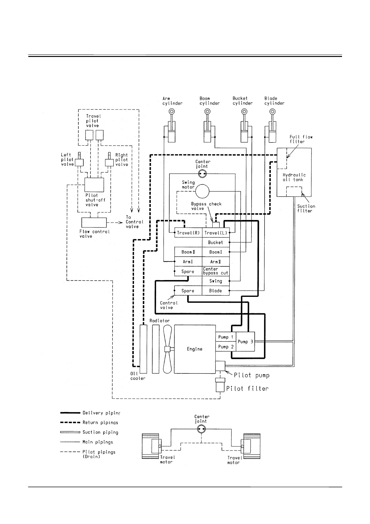
HYDRAULIC CIRCUIT AND ELECTRICAL CIRCUIT
8-1
HYDRAULIC CIRCUIT ZAXIS70, 70LC, 85US
M1CC-07-052

Table of Contents

Related product manuals