EasyManua.ls Logo

Honda BF45A - Page 298

Honda BF45A
431 pages
Print Icon
To Next Page IconTo Next Page
To Next Page IconTo Next Page
To Previous Page IconTo Previous Page
To Previous Page IconTo Previous Page
Loading...
BF40AoBFSOA
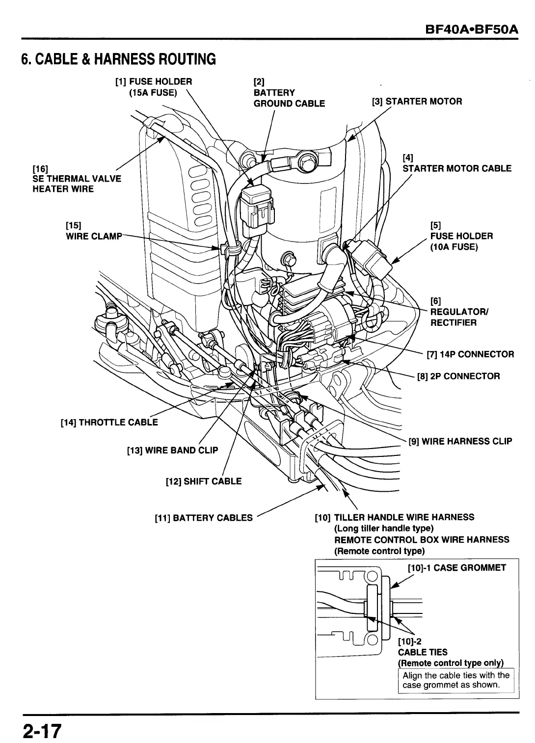
6.
CABLE
&
HARNESS ROUTING
[ll]
BAlTERY CABLES
[lo]
TILLER HANDLE WIRE HARNESS
(Long
tiller handle type)
REMOTE CONTROL BOX WIRE HARNESS
(Remote control type)
[lo]-1
CASE GROMMET
CABLE TIES
(Remote control type only)
Align the cable ties with the
case grommet as shown.
2-1
7