EasyManua.ls Logo

Honeywell HW4000 - Page 15

Honeywell HW4000
52 pages
To Next Page IconTo Next Page
To Next Page IconTo Next Page
To Previous Page IconTo Previous Page
To Previous Page IconTo Previous Page
Loading...
Honeywell Portable Generator Service Manual www.honeywellgenerators.com 3-5
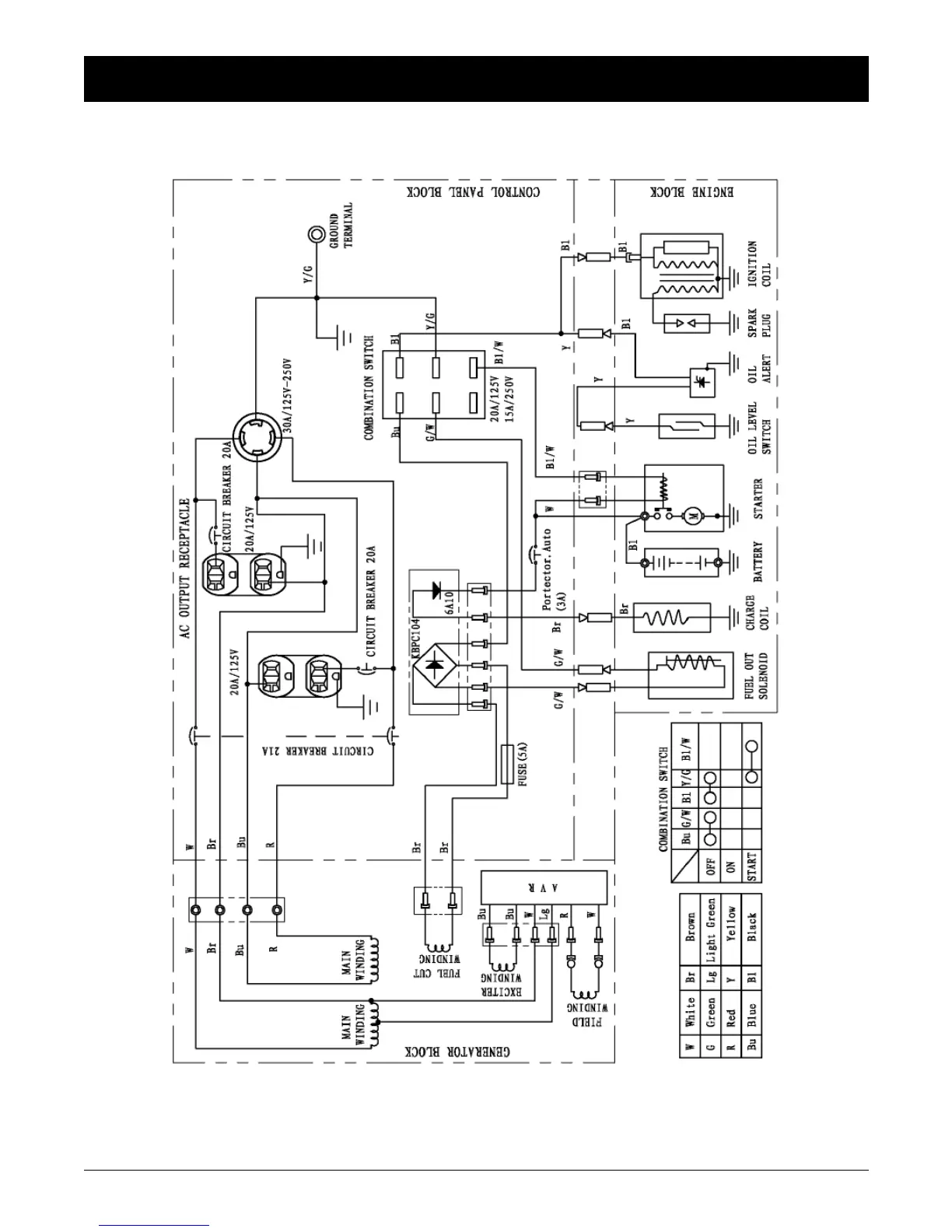
WIRING DIAGRAMS
HW5500E
FIGURE 3-3: HW5500E Wiring Diagram

Other manuals for Honeywell HW4000

Related product manuals