EasyManua.ls Logo

Honeywell MS7503A2023 - Page 33

Honeywell MS7503A2023
72 pages
Print Icon
To Next Page IconTo Next Page
To Next Page IconTo Next Page
To Previous Page IconTo Previous Page
To Previous Page IconTo Previous Page
Loading...
ACTUADORES DE ACOPLAMIENTO DIRECTO CON MUELLE DE RECUPERACIÓN SERIE 3 NM
9 31-00141M—06
Fig. 18. Cables de control del BUS SYLK con
transformadores independientes, MS3103.
FUNCIONAMIENTO
El actuador está diseñado para usarse en instalaciones de
ventilación y aire acondicionado para poner en
funcionamiento válvulas, reguladores, solapas de
ventilación y rejillas. (Para las calificaciones, consulte la
sección Especificaciones). Si la fuente de alimentación
falla, el actuador retornará por muelle a la posición a
pruebas de fallas.
Cuando utilice el controlador proporcional y el actuador
esté colocado en la posición (0)2 a 10, el actuador se
desplazará hacia su posición totalmente abierta cuando la
señal de entrada aumente, y se desplazará hacia la
posición totalmente cerrada cuando la señal de entrada
disminuya. El actuador se detiene cuando la señal de
entrada alcanza el punto de control proporcional deseado.
Esto funciona en reversa cuando se coloca en una
posición de 10-2(0).
IMPORTANTE
El actuador está diseñado para responder a los
cierres de contacto instantáneo del controlador
DDC. Tenga cuidado de no generar un ciclo corto
en el actuador. El control del regulador inestable
puede causar una falla prematura en el actuador.
Modo de puesta en funcionamiento
rápido (modo de control de la modulación
y comunicación SYLK únicamente)
Si se aplica una señal de 24 VCA o 24 VCC a la entrada de
modulación o al actuador de comunicación SYLK, se
selecciona la posición 6 (PRUEBA) y el actuador se
accionará a la posición completamente abierta con una
velocidad superior correspondiente a la temporización de
30 seg. Si la señal está desconectada, el actuador
accionará hasta la posición completamente cerrada con el
tiempo de funcionamiento normal.
PRECAUCIÓN
No utilice el modo de prueba rápida para el
funcionamiento permanente.
La vida útil se reducirá si este modo se utiliza
permanentemente. Este modo está diseñado para
usarse solo para la puesta en servicio/pruebas
iniciales del sistema después de la instalación. El
consumo de energía no se especifica en este modo.
Interruptores auxiliares
Algunos modelos incluyen interruptores auxiliares. Para
obtener detalles sobre el cableado, consulte la Fig. 11.
Anulación del actuador
Para anular la señal de control (para la protección contra
el congelamiento o aplicaciones similares):
1. Anule hasta llegar a la posición totalmente abierta
(puesta en servicio rápida, modo de accionamiento
menor que 30 s):
a. Desconecte la señal de entrada (del terminal 3).
b. Aplique 24 V CA al terminal 3.
c. Consulte la Fig. 19.
2. Para retornar a la posición totalmente cerrada:
a. Desconecte la señal de entrada (del terminal 3).
b. Consulte la Fig. 20.
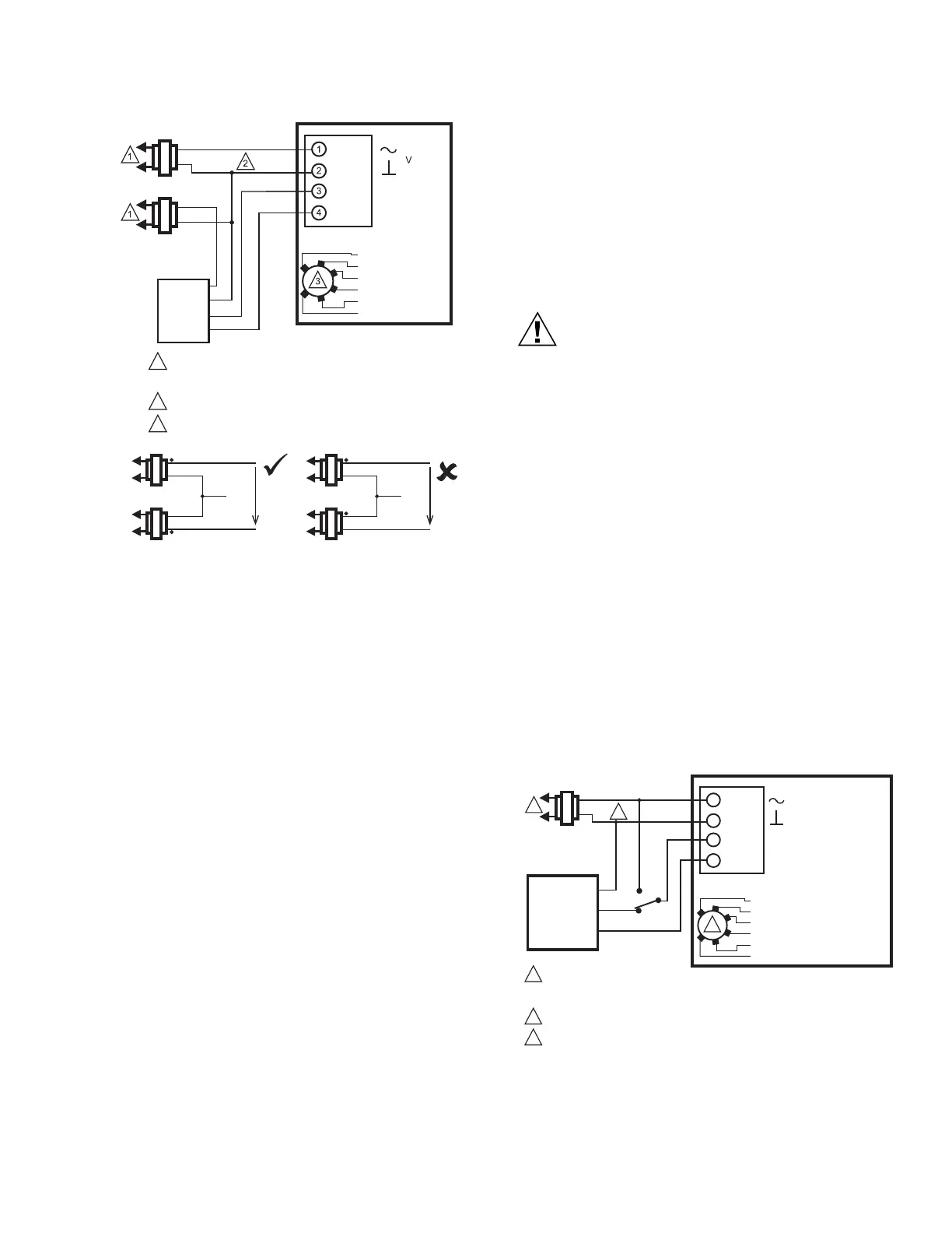
Fig. 19. Anulación hasta la posición abierta.
1
2
3
FUENTE DE ALIMENTACIÓN DE TENSIÓN DE LÍNEA. PROPORCIONE
LOS MEDIOS DE DESCONEXIÓN Y LA PROTECCIÓN CONTRA
SOBRECARGA NECESARIOS.
SUMINISTRO DE 24 V CC ACEPTABLE.
SELECTOR DE DIRECCIONES
NOTAS: Al utilizar dos transformadores en la instalación, asegúrese de conectar
como Común las patas correspondientes de los devanados secundarios.
Compruebe la tensión como se muestra en la ilustración y asegúrese de que
esté por debajo de 30 VCA. Si no es así, intercambie las patas de un devanado
secundario.
24 V CA
CLASE
2
24 V CA
CLASE
2
24 V CA
CLASE
2
24 V CA
CLASE
2
AL ACTUADOR CALIENTE
AL CONTROLADOR CALIENTE
COMÚN
> 30 VCA
COMÚN
> 30 VCA
AL ACTUADOR CALIENTE
AL CONTROLADOR CALIENTE
24 V CA
CLASE
2
24 V CA
CLASE
2
CALIENTE
COM
CONTROLADOR
BUS S
BUS S
BUS S
BUS S
ROJO
NEGRO
MARRÓN
MARRÓN
ACTUADOR
DIRECCIÓN 11
DIRECCIÓN 12
DIRECCIÓN 13
DIRECCIÓN 14
DIRECCIÓN 15
PRUEBA
1
2
V
+
RETROALI-
MENTACIÓN
4
3
1
2
MS37323
3
SPDT
ACTUADOR
0° a 90°/MODULANTE
90° a 0°/RETROALIMENTACIÓN
2-10 V CC
10-2 V CC
0-10 V CC
10-0 V CC
FLOTANTE, ADELANTE
FLOTANTE, REVERSA
ROJO
NEGRO
MARRÓN
BLANCO
0/2 A 10 V CC
CONTROLADOR
PROPORCIONAL
24 V CA
CLASE 2
1
2
3
FUENTE DE ALIMENTACIÓN DE LA LÍNEA DE TENSIÓN. PROPORCIONE
MEDIOS DE DESCONEXIÓN Y PROTECCIÓN DE SOBRECARGA SEGÚN SEA
NECESARIO.
SUMINISTRO DE 24 V CC ACEPTABLE.
COLOQUE EL INTERRUPTOR EN MODULANTE SI ESTÁ DISPONIBLE.

Related product manuals