EasyManua.ls Logo

Honeywell NOTIFIER SCS Series

Honeywell NOTIFIER SCS Series
210 pages
To Next Page IconTo Next Page
To Next Page IconTo Next Page
To Previous Page IconTo Previous Page
To Previous Page IconTo Previous Page
Loading...
148 SCS Series Manual — P/N 15712:L 7/18/16
Ratings and Wiring Diagrams Non-dedicated Smoke Control System Wiring Diagrams
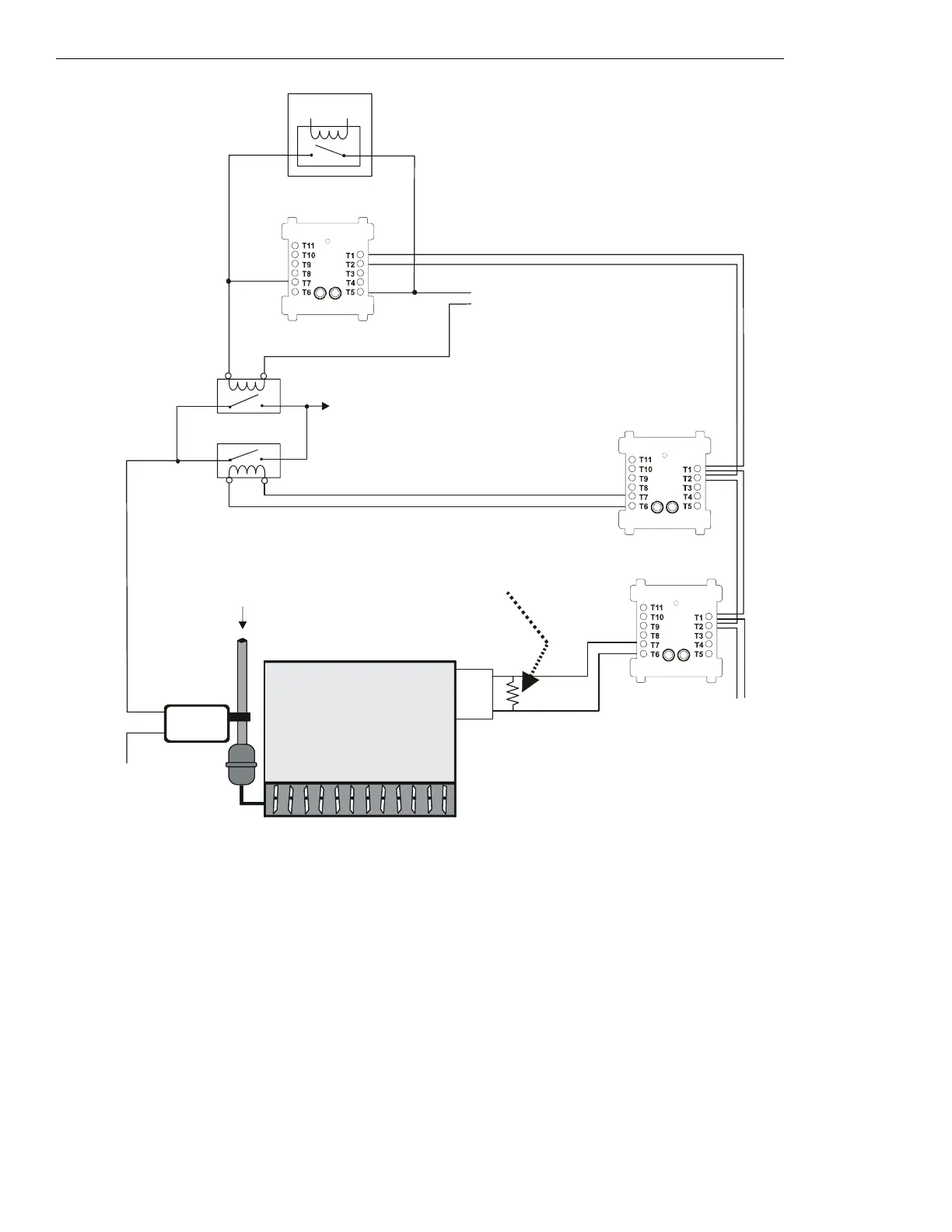
Figure 5.39 EP Damper Control, Non-dedicated System - FSCS Switch Group Type 8
Figure 5.39 depicts an EP damper in a non-dedicated system with the capability of
OPEN and CLOSED control and verification of the OPEN
state, switch group type 8. In the above configuration, the CON
ONOP
CM is activated and the CON
OFFCL
CM is deactivated. The
CON
ONOP
CM controls a normally closed contactor for the pressure switch power line. When the CON
ONOP
CM is activated, the normally
closed contactor is opened. When the contactor opens, power is cut from the pressure switch, which allows airflow to open the damper.
When the CON
ONOP
CM is deactivated, the EMS is free to control the damper. The EMS is currently being overridden by the
CON
ONOP
CM.
When power is cut from the pressure switch, the damper opens. When the damper completely opens, the damper open limit switch is
CLOSED, indicating that the damper is in the OPEN position. The VER
ONOP
MM monitors the CLOSED position of the damper closed limit
switch. In this case the VER
ONOP
MM is activated because the damper is OPEN.
Airflow
PRESSURE
SWITCH
SMOKE
DAMPER
OPEN
Power
Source
Listed
24 VDC
Power Source
SLC Loop
FCM-1
CON
OFF/CL
CM
(deactivated)
DEP-NF8A-fs-2.wmf
Power
Return
ELR-47K
(use 3.9K listed ELR with FZM-1)
Pneumatic
Tubing
Energy
Management
System
1a listed
contact
N/O
COM
Limit Switch
for open
position
VER
ONOP
MM
(activated)
FMM-1
1b listed
contact
FRM-1
CON
ON/OP
CM
(activated)
*If the SLC device
does not match the
one in this figure,
refer to the SLC
manual appendix,
which contains
wiring conversion
charts for type V
and type H
modules.

Table of Contents

Related product manuals