EasyManua.ls Logo

HotSpring Limelight - 230 Volt Permanently Connected Models; 230 Volt Converted Gleam

HotSpring Limelight
56 pages
Print Icon
To Next Page IconTo Next Page
To Next Page IconTo Next Page
To Previous Page IconTo Previous Page
To Previous Page IconTo Previous Page
Loading...
Page 13
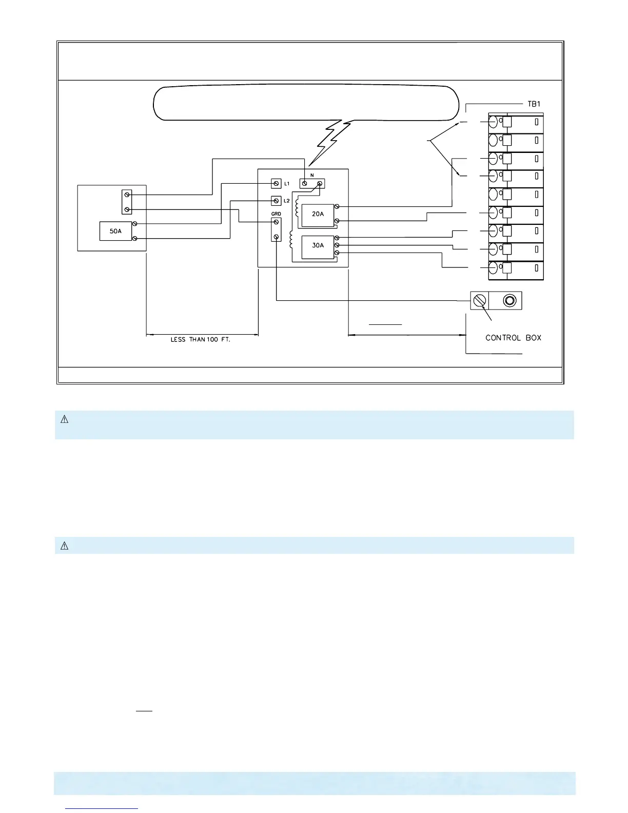
Electrical Requirements
Electrical Requirements
System Ground Terminal
GRD
WARNING!
THE EXACT PHYSICAL LOCATION OF THE TERMINALS ON THE GFCI BREAKER
WILL VARY BETWEEN MANUFACTURERS. CONNECTING THE HOT WIRE TO THE
NEUTRAL TERMINAL WILL CAUSE IRREVERSIBLE DAMAGE TO THE CONTROL BOX.
** Refer to NEC 250-122 (table)
*PROVIDED WITH SPA.
IMPORTANT: ALL WIRING SHOULD BE COPPER.
NOTE: The wire connections to GFCI breakers are for reference only. Always ensure the white neutral wire is connected to the load neutral of the 30 amp breaker.
MAIN SERVICE
ELECTRICAL
PANEL
230V, 50 Amp,
2-POLE,
CIRCUIT BREAKER
(NON GFCI)
1
2
H1
3
4
5
FACTORY
WIRED
HEATER
L2 # 12 AWG RED
L1 # 12 AWG BLUE
L2 # 10 AWG RED
L1 # 10 AWG BLUE
N # 10 AWG WHITE
GROUND # 10 AWG GREEN
# 8 AWG WHITE, NEUTRAL
# 10 AWG GREEN, GROUND**
# 8 AWG BLUE, L1
# 8 AWG RED, L2
*SUBPANEL
WITH GFCI
BREAKERS
Minimum 5 FEET
The Subpanel must be
within sight of the spa
Do not exceed 50 FEET.
H2
6
7
Hot Spring
®
Spas
230 Volt permanently connected models
•Slightlypullonpanel,ifdoorremainsagainstthespathenreplacethescrews.
WARNING: FILL THE SPA  Once
your spa has been filled with water, turn it on and test all of the circuit breakers.
NOTE: If both breakers immediately trip, verify that the #10 AWG WHITE neutral wire is connected from TB-1 terminal 7 to the N (load neutral)
terminalofthe30ampsubpanelbreaker.Eachbreakershouldbetestedpriortoeachuse.Here’show:
1. Push the “TEST” button on each GFCI breaker, and observe it click OFF.
2. Wait 30 seconds, then push the breaker switch to the OFF (down) position (to ensure that it has completely disengaged), then push the
breakerswitchtotheON(up)position.Ifyoudon'twait30seconds,thespa’scontrolpanelmayflashfourlinesonandoff–tryagain.
If any of the GFCI breakers fails to operate in this manner, your spa may have an electrical malfunction, and you may be at risk of electrical shock.
Turn off all circuits and do not use the spa until the problem has been corrected by an authorized service agent.
WARNING: Removing or bypassing any GFCI breaker will result in an unsafe spa and will void the spa's warranty.
IMPORTANT: Should you ever find the need to move or relocate your Hot Spring spa, it is essential that you understand and apply these
installation requirements. Your Hot Spring spa has been carefully engineered to provide maximum safety against electric shock. Remember,
connecting the spa to an improperly wired circuit will negate many of its safety features.
NOTE: Long wiring runs may require larger-gauge wire than stated.
Your Hot Spring spa has been carefully designed to give you maximum safety against electrical shock. Connecting the spa to an improperly wired
circuitwillnegatemanyofthespa’ssafetyfeatures.Improperwiringmayalsocauseelectrocution,riskoffire,andotherrisksofinjuries.Please
read and follow the electrical installation requirements and instructions for your spa completely!
230 VOLT CONVERTED GLEAM
The Gleam will require an additional 20 amp breaker in order to operate the heater and jet pump 3 at the same time. Without the additional 20 amp
breaker, the heater will NOT operate while the jets used with jet pump 3 are on.
Hot SpringSPASMUSTBEWIREDINACCORDANCEWITHALLAPPLICABLELOCALELECTRICALCODES.ALLELECTRICALWORK
SHOULD BE DONE BY AN EXPERIENCED LICENSED ELECTRICIAN. WE RECOMMEND THE USE OF APPROPRIATE ELECTRICAL
CONDUIT, FITTINGS, AND WIRE FOR ALL CIRCUITS.
Page 13

Table of Contents

Related product manuals