EasyManua.ls Logo

Hydro atos E-BM-AC-05F - Page 17

Default Icon
42 pages
Print Icon
To Next Page IconTo Next Page
To Next Page IconTo Next Page
To Previous Page IconTo Previous Page
To Previous Page IconTo Previous Page
Loading...
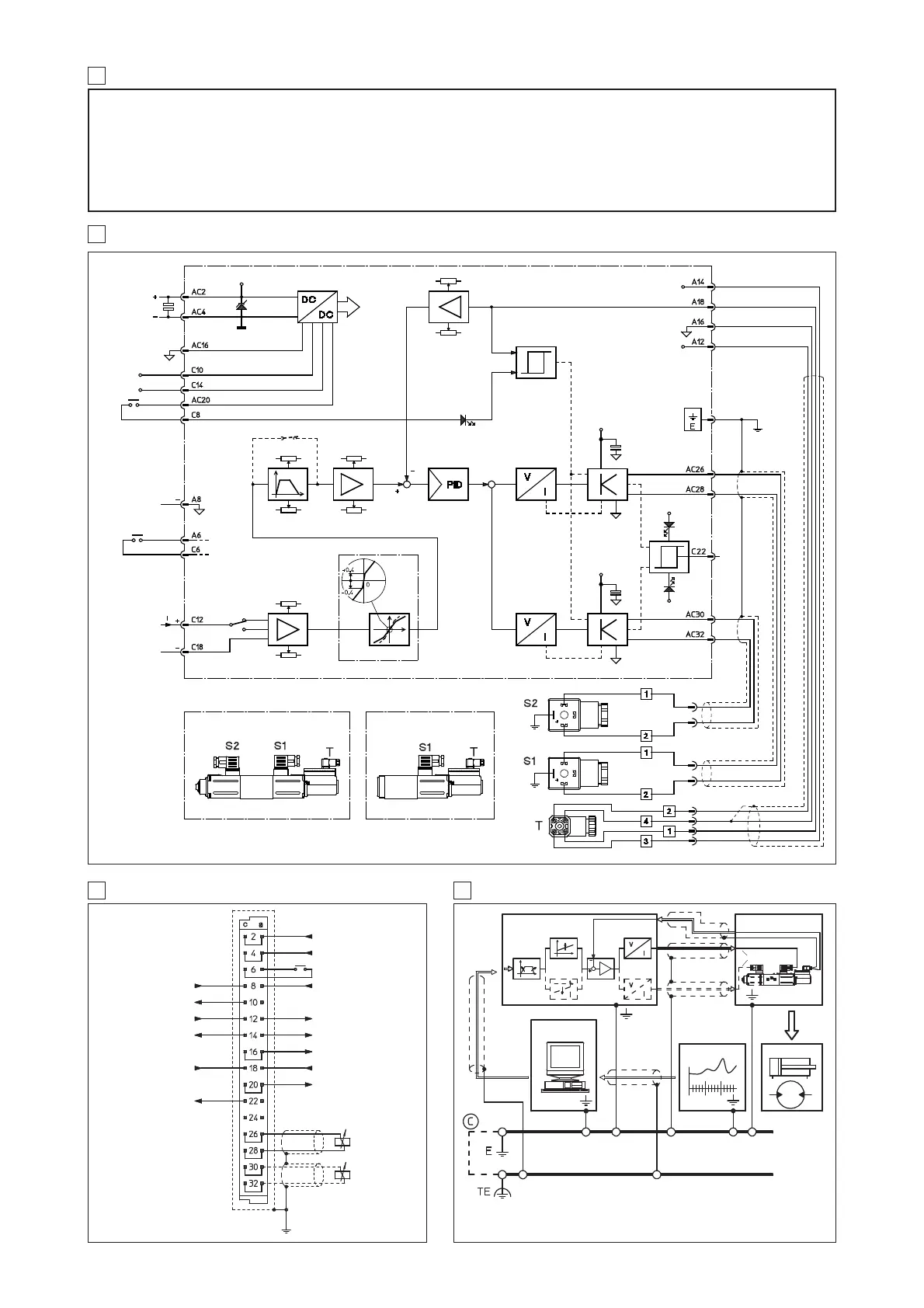
12 WIRING BLOCK DIAGRAM
07/09
13 GENERAL CONNECTIONS
ENABLE (+24 VDC)
+10 VDC 10 mA
REFERENCE +
-10 VDC 10 mA
-15 V
DC 20 mA
+15 VDC 50 mA
GND
SPOOL FEEDBACK
24 VDC
FAULT
REFERENCE -
COIL S1
COIL S2
(E-ME-T-05H)
24VDC
+
-
POWER SUPPLY
24 VDC ± 10%
4700 µF / 40 V
GND REFERENCE
WITH COMMON
GROUND
DIFFERENTIAL
REFERENCE
SIGNAL INPUT
RAMP SWITCH OFF
INTERNAL SUPPLY
TRANZORB
POWER GND
SIGNAL GND
-15V
GND
SIGNAL
+15V
FEEDBACK
SCALE
OFFSET
+10 V
-10 V
+24 V
ENABLE
SCALE
SWITCH
x 1 (*)
x 0.5
P7
GAIN
(*) = FACTORY PRESET (A) = ONLY FOR E-ME-T-01H 40 /TH* - /TK*
SHIELD
BIAS S1
BIAS S2
REFERENCE
CURRENT
FEEDBACK
CURRENT
FEEDBACK
DOUBLE SOLENOID VALVE SINGLE SOLENOID VALVE
RAMP 1
RAMP SWITCH (*)
RAMP 2
LINEARIZATION
(A)
LED
LED S1
LED S2
RAMP EXCLUSION
GND
P5
P6
SHIELD
SPOOL FEEDBACK
ELETTROMAGNETIC COMPATIBILITY
Atos electronic drivers and proportional valves are designed according to the 2004/108/CE Directive (Electromagnetic Compatibility) and according
to EN 50081-2 (Emission) and EN 50082-2 (Immunity) standards. The electromagnetic compatibility of electronic drivers is valid only for wirings
realized according to the typical electric connections shown in this technical table.
The device must be verified on the machine because the magnetic field may be different from the test conditions.
SAFETY
The electrical signals (for example reference signals, feedback and enable signal) of electronic drivers must not be used to realize safety condi-
tions of the machine. This is in accordance with the provisions of european directives (Safety requirements of fluid technology systems and com-
ponents-hydraulics, EN 982). Special attention must be payed to switch-on/switch-off of electronic drivers because they could produce uncontrol-
led movements of actuators operated by the proportional valves.
11 IMPORTANT INSTRUCTIONS
14 EARTH CONNECTIONS
CONTROL UNIT
E-ME-T-0*H
PROPORTIONAL VALVE
TRANSDUCER ACTUATORS
RAMPS
BIAS S1
CURRENT
AMPLIFIER
E: PROTECTIVE EARTH TE: NOISELESS EARTH
C : ALTERNATE BONDING CONNECTION TO NOISELESS EARTH TERMINAL
CONNECTORS TYPE SP-666
(see table K500)
CONNECTOR TYPE SP-345
(see table K500)
+VCC
-15 V
+15 V
+VCC
+VCC
+VCC
+VCC
BIAS S2
CURRENT
AMPLIFIER
DRIVING CURR.
SPOOL FEEDBACK
SPOOL
POSITION
CONTROL
COIL S1
COIL S2
NOTE: S1 and S2 solenoids are referred respectively to B port side and A port side.
FAULT

Table of Contents

Related product manuals