EasyManua.ls Logo

Hysolis Apollo 5K - Page 24

Default Icon
58 pages
Print Icon
To Next Page IconTo Next Page
To Next Page IconTo Next Page
To Previous Page IconTo Previous Page
To Previous Page IconTo Previous Page
Loading...
22
12V/24V
MAX
10A
·
DC INPUT
MAX
35A
·
AC INPUT
COM1
AC OUTPUT
COMM.PORT
COM2
RESET
RUN
ALM
CHARGE
I
n
v
e
r
t
e
r
R
e
s
e
t
S
w
i
t
c
h
A
C
I
n
p
u
t
R
e
s
e
t
S
w
i
t
c
h
BATTERY
1
51.2VDC
BATTERY
2
51.2VDC
120V~450V
MAX.4000W(18A)
SOLAR INPUT
ONLY CONNECT HYSOLIS 5K BATTERIES.
DO NOT USE 3RD-PARTY BATTERIES.
CONNECTING THE WRONG BATTERY
MAY DAMAGE THE UNIT AND/OR HARM
THE USER.
CAUTION!
SWITCH BATTERIES OFF
BEFORE CONNECTING OR
DISCONNECTING BATTERY
CABLES.
CAUTION!
VOLTAGE MAY BE PRESENT ON
PV INPUT WHEN INVERTER IS
OPERATING..
DANGER!
Battery
Switch
DISCONNECT ALL INPUT AND
OUTPUT CABLES BEFORE
SWITCHING ON OR OFF.
BATTERY MAY ALWAYS BE
LEFT ON EXCEPT FOR
SHIPPING OR STORAGE.
NOTICE!
1
2
V
D
C
M
A
X
3
0
A
12VDC
MAX 30A
PD60W
5V 2.4A
QC 3.0
PD60W
12VDC
2A
AC OUTPUT
25AMAX
AC OUTPUT MAX 15A
12V/24V
MAX
10A
·
DC INPUT
MAX
35A
·
AC INPUT
COM1
AC OUTPUT
COMM.PORT
COM2
RESET
RUN
ALM
CHARGE
I
n
v
e
r
t
e
r
R
e
s
e
t
S
w
i
t
c
h
A
C
I
n
p
u
t
R
e
s
e
t
S
w
i
t
c
h
BATTERY
1
51.2VDC
BATTERY
2
51.2VDC
120V~450V
MAX.4000W(18A)
SOLAR INPUT
ONLY CONNECT HYSOLIS 5K BATTERIES.
DO NOT USE 3RD-PARTY BATTERIES.
CONNECTING THE WRONG BATTERY
MAY DAMAGE THE UNIT AND/OR HARM
THE USER.
CAUTION!
SWITCH BATTERIES OFF
BEFORE CONNECTING OR
DISCONNECTING BATTERY
CABLES.
CAUTION!
VOLTAGE MAY BE PRESENT ON
PV INPUT WHEN INVERTER IS
OPERATING..
DANGER!
Battery
Switch
DISCONNECT ALL INPUT AND
OUTPUT CABLES BEFORE
SWITCHING ON OR OFF.
BATTERY MAY ALWAYS BE
LEFT ON EXCEPT FOR
SHIPPING OR STORAGE.
NOTICE!
12V/24V
MAX
10A
·
DC INPUT
MAX
35A
·
AC INPUT
COM1
AC OUTPUT
COMM.PORT
COM2
RESET
RUN
ALM
CHARGE
I
n
v
e
r
t
e
r
R
e
s
e
t
S
w
i
t
c
h
A
C
I
n
p
u
t
R
e
s
e
t
S
w
i
t
c
h
BATTERY
1
51.2VDC
BATTERY
2
51.2VDC
120V~450V
MAX.4000W(18A)
SOLAR INPUT
ONLY CONNECT HYSOLIS 5K BATTERIES.
DO NOT USE 3RD-PARTY BATTERIES.
CONNECTING THE WRONG BATTERY
MAY DAMAGE THE UNIT AND/OR HARM
THE USER.
CAUTION!
SWITCH BATTERIES OFF
BEFORE CONNECTING OR
DISCONNECTING BATTERY
CABLES.
CAUTION!
VOLTAGE MAY BE PRESENT ON
PV INPUT WHEN INVERTER IS
OPERATING..
DANGER!
Battery
Switch
DISCONNECT ALL INPUT AND
OUTPUT CABLES BEFORE
SWITCHING ON OR OFF.
BATTERY MAY ALWAYS BE
LEFT ON EXCEPT FOR
SHIPPING OR STORAGE.
NOTICE!
12V/24V
MAX
10A
·
DC INPUT
MAX
35A
·
AC INPUT
COM1
AC OUTPUT
COMM.PORT
COM2
RESET
RUN
ALM
CHARGE
I
n
v
e
r
t
e
r
R
e
s
e
t
S
w
i
t
c
h
A
C
I
n
p
u
t
R
e
s
e
t
S
w
i
t
c
h
BATTERY
1
51.2VDC
BATTERY
2
51.2VDC
120V~450V
MAX.4000W(18A)
SOLAR INPUT
ONLY CONNECT HYSOLIS 5K BATTERIES.
DO NOT USE 3RD-PARTY BATTERIES.
CONNECTING THE WRONG BATTERY
MAY DAMAGE THE UNIT AND/OR HARM
THE USER.
CAUTION!
SWITCH BATTERIES OFF
BEFORE CONNECTING OR
DISCONNECTING BATTERY
CABLES.
CAUTION!
VOLTAGE MAY BE PRESENT ON
PV INPUT WHEN INVERTER IS
OPERATING..
DANGER!
Battery
Switch
DISCONNECT ALL INPUT AND
OUTPUT CABLES BEFORE
SWITCHING ON OR OFF.
BATTERY MAY ALWAYS BE
LEFT ON EXCEPT FOR
SHIPPING OR STORAGE.
NOTICE!
12V/24V
MAX
10A
·
DC INPUT
MAX
35A
·
AC INPUT
COM1
AC OUTPUT
COMM.PORT
COM2
RESET
RUN
ALM
CHARGE
I
n
v
e
r
t
e
r
R
e
s
e
t
S
w
i
t
c
h
A
C
I
n
p
u
t
R
e
s
e
t
S
w
i
t
c
h
BATTERY
1
51.2VDC
BATTERY
2
51.2VDC
120V~450V
MAX.4000W(18A)
SOLAR INPUT
ONLY CONNECT HYSOLIS 5K BATTERIES.
DO NOT USE 3RD-PARTY BATTERIES.
CONNECTING THE WRONG BATTERY
MAY DAMAGE THE UNIT AND/OR HARM
THE USER.
CAUTION!
SWITCH BATTERIES OFF
BEFORE CONNECTING OR
DISCONNECTING BATTERY
CABLES.
CAUTION!
VOLTAGE MAY BE PRESENT ON
PV INPUT WHEN INVERTER IS
OPERATING..
DANGER!
Battery
Switch
DISCONNECT ALL INPUT AND
OUTPUT CABLES BEFORE
SWITCHING ON OR OFF.
BATTERY MAY ALWAYS BE
LEFT ON EXCEPT FOR
SHIPPING OR STORAGE.
NOTICE!
12V/24V
MAX
10A
·
DC INPUT
MAX
35A
·
AC INPUT
COM1
AC OUTPUT
COMM.PORT
COM2
RESET
RUN
ALM
CHARGE
I
n
v
e
r
t
e
r
R
e
s
e
t
S
w
i
t
c
h
A
C
I
n
p
u
t
R
e
s
e
t
S
w
i
t
c
h
BATTERY
1
51.2VDC
BATTERY
2
51.2VDC
120V~450V
MAX.4000W(18A)
SOLAR INPUT
ONLY CONNECT HYSOLIS 5K BATTERIES.
DO NOT USE 3RD-PARTY BATTERIES.
CONNECTING THE WRONG BATTERY
MAY DAMAGE THE UNIT AND/OR HARM
THE USER.
CAUTION!
SWITCH BATTERIES OFF
BEFORE CONNECTING OR
DISCONNECTING BATTERY
CABLES.
CAUTION!
VOLTAGE MAY BE PRESENT ON
PV INPUT WHEN INVERTER IS
OPERATING..
DANGER!
Battery
Switch
DISCONNECT ALL INPUT AND
OUTPUT CABLES BEFORE
SWITCHING ON OR OFF.
BATTERY MAY ALWAYS BE
LEFT ON EXCEPT FOR
SHIPPING OR STORAGE.
NOTICE!
1
2
V
D
C
M
A
X
3
0
A
12VDC
MAX 30A
PD60W
5V 2.4A
QC 3.0
PD60W
12VDC
2A
AC OUTPUT
25AMAX
AC OUTPUT MAX 15A
1
2
V
D
C
M
A
X
3
0
A
12VDC
MAX 30A
PD60W
5V 2.4A
QC 3.0
PD60W
12VDC
2A
AC OUTPUT
25AMAX
AC OUTPUT MAX 15A
1
2
V
D
C
M
A
X
3
0
A
12VDC
MAX 30A
PD60W
5V 2.4A
QC 3.0
PD60W
12VDC
2A
AC OUTPUT
25AMAX
AC OUTPUT MAX 15A
1
2
V
D
C
M
A
X
3
0
A
12VDC
MAX 30A
PD60W
5V 2.4A
QC 3.0
PD60W
12VDC
2A
AC OUTPUT
25AMAX
AC OUTPUT MAX 15A
1
2
V
D
C
M
A
X
3
0
A
12VDC
MAX 30A
PD60W
5V 2.4A
QC 3.0
PD60W
12VDC
2A
AC OUTPUT
25AMAX
AC OUTPUT MAX 15A
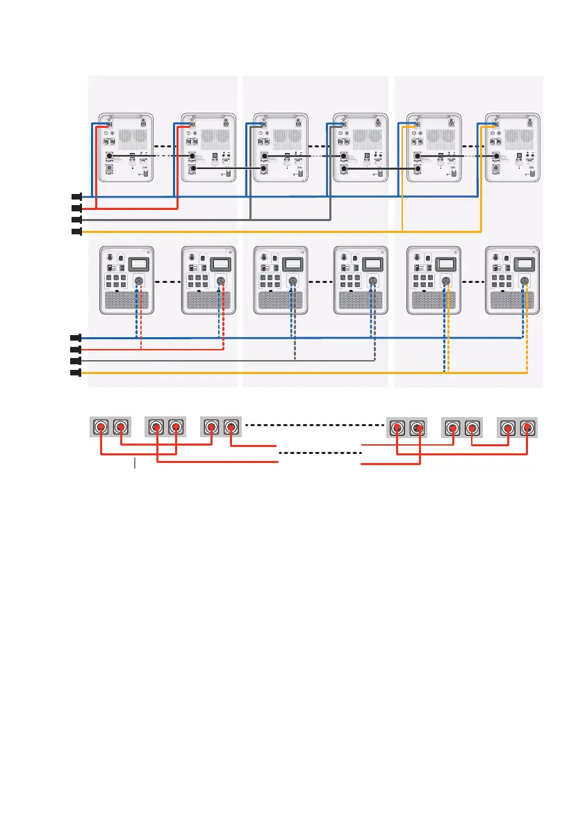
AC
Input
AC
Output
P1 • Unit NP1 • Unit 1
Unit 1 Unit 2 Unit 3 Unit N2 Unit N1 Unit N
P2 • Unit NP2 • Unit 1
Phase 1 Phase 2
P3 • Unit NP1 • Unit 1
Phase 3
N
L1
L2
L3
N
L1
L2
L3
Communication Wires
3-phase • N Units (N≤12) (Note: N = number of Apollo 5K units)
Fig. 5.18 Multi-unit 3-phase wiring, N units (N12)