EasyManua.ls Logo

Hytera HD705 - Schematic Diagram

Hytera HD705
513 pages
Print Icon
To Next Page IconTo Next Page
To Next Page IconTo Next Page
To Previous Page IconTo Previous Page
To Previous Page IconTo Previous Page
Loading...
5
5
4
4
3
3
2
2
1
1
D D
C C
B B
A
A
BAT+
R5V
R5V
5VRT
BAT+
RX-VCO-5V
5VRT
R5V
5VRT
T5V
T5V
DISCHARGE-SW-TX3
APC/TV1 1,11
PS-APC 3
ANT-GPS9
PS-RX 3
TEM-LEV-DET-TC 13
IF8
PS-TX 3
LO
1
R9083
330
R9083
330
C9131
18p
C9131
18p
C9011
100P
C9011
100P
L9040
1nH
L9040
1nH
R9072
10K
R9072
10K
C9039
470P
C9039
470P
+
C9051
22u/10v
+
C9051
22u/10v
12
C9067
560p
C9067
560p
R9005
5.6
R9005
5.6
C9112
22p
C9112
22p
Q9018
PBR941
Q9018
PBR941
2
31
C9088
1000p
C9088
1000p
C9106
22p
C9106
22p
C9059
1000p
C9059
1000p
C9047
470P
C9047
470P
R9077
10K
R9077
10K
R9040
1k
R9040
1k
R9056
NC
R9056
NC
C9040
nc
C9040
nc
R9084
56K
R9084
56K
L9016
6.8n
L9016
6.8n
L9022
270nH
L9022
270nH
L9004
25nH
L9004
25nH
R9030
3.3K
R9030
3.3K
D9016
1SV305
D9016
1SV305
2 1
L9027
820nH
L9027
820nH
L9038
330nH
L9038
330nH
R9057
150K-F
R9057
150K-F
L9034
47p
L9034
47p
C9115
12P
C9115
12P
C9034
470P
C9034
470P
C9014
10p
C9014
10p
C9140
NC
C9140
NC
D9007
BA277
D9007
BA277
12
C9109
7P
C9109
7P
C9099
10p
C9099
10p
C9009
9P
C9009
9P
R9008
1.5K
R9008
1.5K
R9097
3.3K
R9097
3.3K
C9049
0.1u
C9049
0.1u
C9093
1000P
C9093
1000P
Q9004
2SC4988
Q9004
2SC4988
1
23
R9015
330
R9015
330
R9047
33K
R9047
33K
C9118
27p
C9118
27p
C9090
0.01u
C9090
0.01u
C9062
NC
C9062
NC
C9132
NC
C9132
NC
C9107
8p
C9107
8p
DTC114EE
Q9008
DTC114EE
Q9008
3
1
2
R9086
NC
R9086
NC
R9096
3.3K
R9096
3.3K
C9032
8p
C9032
8p
C9044
0.01u
C9044
0.01u
C9046
0.1u
C9046
0.1u
C9133
4P
C9133
4P
R9068
3.3K
R9068
3.3K
C9038
0.1u
C9038
0.1u
C9081
470P
C9081
470P
DTC114EE
Q9007
DTC114EE
Q9007
3
1
2
R9029
390
R9029
390
D9005
BA277
D9005
BA277
12
D9015
1SV325
D9015
1SV325
2 1
R9011
100
R9011
100
C9043
0.1u
C9043
0.1u
TP9001
APC-out
TP9001
APC-out
1
R9046
470K-F
R9046
470K-F
C9129
5P
C9129
5P
L9003
25nH
L9003
25nH
Q9019
EMD22
Q9019
EMD22
1
2
4 3
6
5
L9026
100n
L9026
100n
C9063
4700p
C9063
4700p
TP9004
TP
TP9004
TP
R9095
3.3K
R9095
3.3K
R9074
8.2k
R9074
8.2k
C9098
470pF
C9098
470pF
C9122
27p
C9122
27p
L9010
33n
L9010
33n
R9078
5.6K
R9078
5.6K
R9058
1M-F
R9058
1M-F
R9025
270
R9025
270
C9110
0.01u
C9110
0.01u
C9036
1000pF
C9036
1000pF
L9011
1u
L9011
1u
D9001
1SV325
D9001
1SV325
2 1
R9033
1k
R9033
1k
C9045
470P
C9045
470P
R9028
270
R9028
270
L9028
22n
L9028
22n
R9012
100
R9012
100
R9091
nc
R9091
nc
C9091
0.1u
C9091
0.1u
C9079
20p
C9079
20p
R9039
100
R9039
100
C9030
7p
C9030
7p
C9005
NC
C9005
NC
C9128
4P
C9128
4P
L9012
220n
L9012
220n
R9043
33K
R9043
33K
C9042
470P
C9042
470P
L9039
0
L9039
0
L9036
5T
L9036
5T
C9104
0.1U
C9104
0.1U
T9001
XFMR
T9001
XFMR
6 1
2
4 3
R9016
150
R9016
150
D9002
1SS356
D9002
1SS356
1 2
D9017
HSMS-2827
D9017
HSMS-2827
1
32
4
L9029
NC
L9029
NC
C9002
100P
C9002
100P
Q9001
AT-41511
Q9001
AT-41511
1
2
4
3
C9077
15p
C9077
15p
C9119
NC
C9119
NC
R9081
10K
R9081
10K
U9003
LM45
U9003
LM45
+VS
1
VO
2
GND
3
L9035
5T
L9035
5T
R9066
1.5k
R9066
1.5k
R9021
47
R9021
47
R9050
47K
R9050
47K
L9002
82n
L9002
82n
C9031
10p
C9031
10p
L9018
12n(high Q)
L9018
12n(high Q)
R9018
680
R9018
680
C9103
1000P
C9103
1000P
C9019
9P
C9019
9P
Q9005
RD01MUS2
Q9005
RD01MUS2
1
32
R9045
1M-F
R9045
1M-F
C9105
10p
C9105
10p
L9025
15NH
L9025
15NH
R9085
100K
R9085
100K
Q9017
PBR941
Q9017
PBR941
2
31
R9036
10k
R9036
10k
C9026
8p
C9026
8p
C9136
4P
C9136
4P
R9013
3.3K
R9013
3.3K
R9069
0R
R9069
0R
C9135
4P
C9135
4P
R9009
33
R9009
33
R9023
6.2K
R9023
6.2K
L9015
BLM15PD121SN1
L9015
BLM15PD121SN1
12
R9017
100
R9017
100
R9073
10K
R9073
10K
C9064
1000p
C9064
1000p
C9116
3p
C9116
3p
Q9003
RD07MUS2B
Q9003
RD07MUS2B
1
32
C9086
0.1u
C9086
0.1u
C9020
56p
C9020
56p
C9029
470P
C9029
470P
R9054
0.39
R9054
0.39
C9089
1000P
C9089
1000P
R9041
4.7K
R9041
4.7K
C9097
0.1u
C9097
0.1u
C9069
470P
C9069
470P
C9007
7P
C9007
7P
R9048
150K-F
R9048
150K-F
L9017
22n(high Q)
L9017
22n(high Q)
C9073
nc
C9073
nc
C9017
NC
C9017
NC
C9041
0.068u
C9041
0.068u
L9001
82n
L9001
82n
R9100
220P
R9100
220P
C9121
1000P
C9121
1000P
R9089
5.6k
R9089
5.6k
C9050
NC
C9050
NC
C9001
27P
C9001
27P
R9007
82
R9007
82
Q9021
2SA1832
Q9021
2SA1832
1
23
R9076
10K
R9076
10K
C9120
10P
C9120
10P
C9015
12P
C9015
12P
C9006
NC
C9006
NC
C9070
NC
C9070
NC
R9026
NC
R9026
NC
C9139
NC
C9139
NC
C9134
5.6P
C9134
5.6P
R9027
8.2k
R9027
8.2k
Q9020
EMD22
Q9020
EMD22
1
2
43
6
5
L9009
22nH
L9009
22nH
C9065
1500p
C9065
1500p
D9010
EDZTE616.8B
D9010
EDZTE616.8B
1 2
C9101
7p
C9101
7p
R9002
47K
R9002
47K
C9111
3p
C9111
3p
R9063
10K
R9063
10K
C9141
47pF
C9141
47pF
C9052
1uF
C9052
1uF
C9027
12P
C9027
12P
R9080
100P
R9080
100P
R9098
3.3K
R9098
3.3K
R9022
22
R9022
22
L9007
12n
L9007
12n
C9087
0.033u
C9087
0.033u
L9033
5T
L9033
5T
C9054
470
C9054
470
R9055
0.39
R9055
0.39
C9022
NC
C9022
NC
C9024
8p
C9024
8p
R9024
6.8K
R9024
6.8K
C9004
1.5p
C9004
1.5p
C9138
0.033u
C9138
0.033u
R9099
220P
R9099
220P
R9079
33K
R9079
33K
D9012
1SV325
D9012
1SV325
2 1
T9002
XFMR
T9002
XFMR
61
2
43
Q9006
2SA1745
Q9006
2SA1745
1
2 3
C9095
1uF
C9095
1uF
R9001
270
R9001
270
R9067
6.8k
R9067
6.8k
C9071
0.1u
C9071
0.1u
C9033
470P
C9033
470P
L9020
BLM15PD121SN1
L9020
BLM15PD121SN1
1 2
R9031
3.3K
R9031
3.3K
C9016
NC
C9016
NC
C9078
33p
C9078
33p
L9024
330N
L9024
330N
R9042
330
R9042
330
L9006
12n
L9006
12n
C9074
nc
C9074
nc
L9013
18nH
L9013
18nH
R9038
1k
R9038
1k
C9053
NC
C9053
NC
C9003
0.5p
C9003
0.5p
U9002
NJM2904V
U9002
NJM2904V
A OUTPUT
1
A -INPUT
2
A +INPUT
3
V+
8
B +INPUT
5
B -INPUT
6
B OUTPUT
7
GND
4
C9028
10p
C9028
10p
L9031
nc
L9031
nc
R9004
10nH
R9004
10nH
C9124
6p
C9124
6p
C9123
nc
C9123
nc
C9085
1000P
C9085
1000P
L9014
BLM18SG121TN1
L9014
BLM18SG121TN1
1 2
R9003
270
R9003
270
D9006
BA277
D9006
BA277
12
R9020
10K
R9020
10K
L9005
18nH
L9005
18nH
C9075
470p
C9075
470p
ANT1ANT1
1
C9117
10p
C9117
10p
R9053
0.39
R9053
0.39
D9013
HSM88AS
D9013
HSM88AS
3
2
1
D9014
1SV325
D9014
1SV325
2 1
C9012
nc
C9012
nc
L9032
220n
L9032
220n
L9008
47nH
L9008
47nH
C9130
nc
C9130
nc
R9059
470K-F
R9059
470K-F
C9035
8P
C9035
8P
R9071
330
R9071
330
C9100
5p
C9100
5p
C9008
nc
C9008
nc
C9096
470pF
C9096
470pF
C9092
0.1uF
C9092
0.1uF
C9137
6p
C9137
6p
GNDGND
IN
OUT
Z9001
73.35M
GNDGND
IN
OUT
Z9001
73.35M
1
23
4
56
C9060
1000P
C9060
1000P
C9057
0.1u
C9057
0.1u
L9037
5T
L9037
5T
C9126
NC
C9126
NC
R9019
4.7K
R9019
4.7K
R9006
10k
R9006
10k
C9021
12P
C9021
12P
C9080
0.1u
C9080
0.1u
D9008
BA277
D9008
BA277
1 2
C9094
NC
C9094
NC
C9066
0.01u
C9066
0.01u
R9090
10K
R9090
10K
C9048
470P
C9048
470P
C9025
10P
C9025
10P
C9037
470P
C9037
470P
L9030
3.9nH
L9030
3.9nH
R9014
nc
R9014
nc
Q9002
2SC3356
Q9002
2SC3356
2
31
C9023
8p
C9023
8p
C9113
8p
C9113
8p
C9061
1000P
C9061
1000P
TP9003
TP
TP9003
TP
C9018
470P
C9018
470P
C9114
2.2K
C9114
2.2K
R9075
51
R9075
51
D9011
DAN222
D9011
DAN222
1
2
3
C9013
470P
C9013
470P
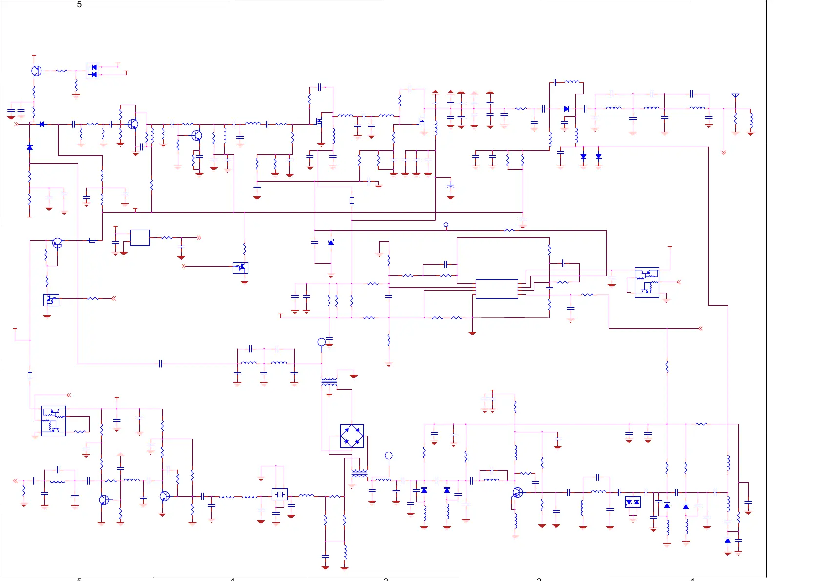
PD70X/PD70XG/PD78X/PD78XG/HD705/HD705G/HD785/HD785G Schematic Diagram (Transmitter/Receiver)
228
9.6 Schematic Diagram

Table of Contents

Other manuals for Hytera HD705

Related product manuals