EasyManua.ls Logo

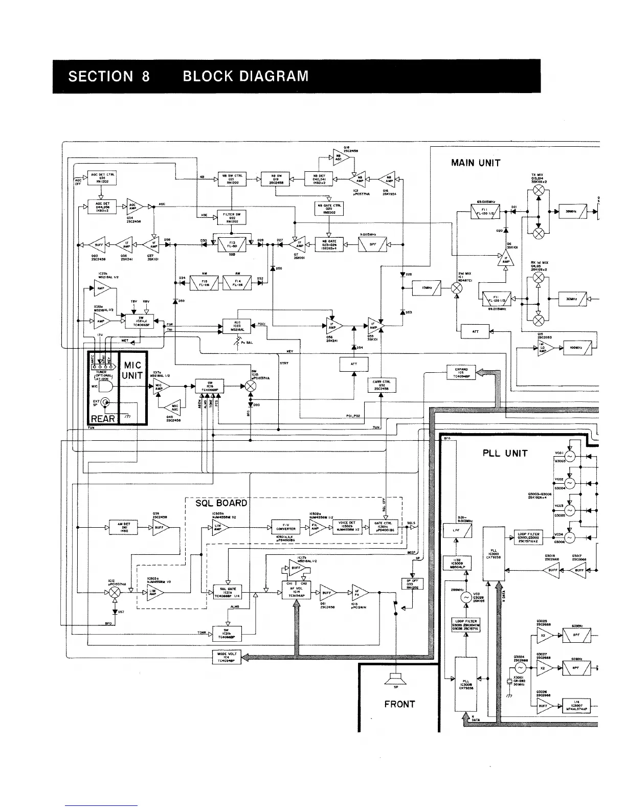
Icom IC-M600 - Section 8 Block Diagram

Icom IC-M600
78 pages
Print Icon
To Next Page IconTo Next Page
To Next Page IconTo Next Page
To Previous Page IconTo Previous Page
To Previous Page IconTo Previous Page
Loading...

Other manuals for Icom IC-M600

Related product manuals