EasyManua.ls Logo

Icom IC-R5 - Section 4 Circuit Description; Receiver Circuits

Icom IC-R5
38 pages
Print Icon
To Next Page IconTo Next Page
To Next Page IconTo Next Page
To Previous Page IconTo Previous Page
To Previous Page IconTo Previous Page
Loading...
SECTION 4 CIRCUIT DESCRIPTION
4 - 1
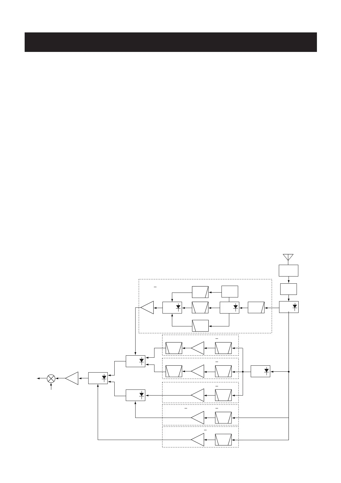
4-1 RECEIVER CIRCUITS
4-1-1 BAND SWITCHING CIRCUIT (RF UNIT)
The RF signals from the antenna connector pass through the
limitter (D68) and an attenuator (D69). The signals are then
applied to the antenna switching circuit (D13, D31, D73, D75)
which suppress out-of-band signals.
4-1-2 RF CIRCUIT (RF UNIT)
The RF circuit amplifies the received signals within the range
of frequency coverage and filters out-of-band signals.
(1) 0.150 MHz–29.999 MHz
RF signals (0.150–29.999MHz) from an band switching cir-
cuit (D73) pass through a low-pass filter (C511–C515, L81,
L82). The filtered signals are amplified at an RF amplifier
(Q505) passing through each filters depending on the receiv-
ing frequency. The amplified signals are then applied to the
1st mixer circuit (IC1, pin 1) after being amplified at another
RF amplifier (IC11) via the band switching diode (D71).
The signals below 1.9 MHz pass through a low-pass filter
(C534, C535, C657, C658, L88, L89) via the band switching
diode (D66), and are then applied to the RF amplifier circuit
(Q505) via the band switching diode (D67).
The 1.9 MHz–14.995 MHz signals pass through the band
switching diode (D65) and bandpass filter (C522–C531,
L85–L87, L91), and are then applied to the RF amplifier cir-
cuit (Q505) via the band switching diode (D70).
The 15 MHz–29.995 MHz signals pass through the band
switching diode (D63) and high-pass filter (C516–C520, L83,
L84) and are then applied to the RF amplifier circuit (Q505)
via the band switching diode (D64).
(2) 118 MHz–174.995 MHz, 330 MHz–832.995 MHz
RF signals (118 MHz–174.995 MHz, 330 MHz–832.995
MHz) from an antenna switching diode (D75) are passed
through each bandpass filter and RF amplifier, and are then
applied to the 1st mixer circuit (IC1) via the band switching
diode (D71) and RF amplifier (IC11).
The 118 MHz–174.995 MHz signals pass through the band
switching diode (D74) and low-pass filter (C8–C13, C67,
C416, L14, L57–L59, L70), and are then amplified at RF
amplifier (Q14). The amplified signal passes through the tun-
able band-pass filters (D1, D2) and band switching diode
(D25).
The 330 MHz–469.995 MHz signals are amplified at RF
amplifier (Q35) via the band switching diode (D3) and band-
pass filter (C19–C23, C216, L2–L5). The amplified signal
passes through the tunable band-pass filters (D4, D5) and
band switching diode (D29).
The 470 MHz–832.995 MHz signals are amplified at RF
amplifier (Q24) via the band-pass filter (C32, C33, C35–C37,
C39, C145), between the band switching diode (D11, D32).
RF
RF
BPF
BPFBPF
RF
BPF
RF
BPF
RF
BPF
RF
RF
BPF
BPF
Q26
Q36
Q35
Q24
Q14
D1, D2
D3, D11,
D74
D13, D31,
D73, D75
D63, D65,
D66
D64, D67,
D70
Q501, D76
Q505
0.15 30 MHz
118 175 MHz
330— 470 MHz
470 833 MHz
833 1309.995 MHz
30 118 MHz, 175 330 MHz
D4, D5
D32, D34
D36, D71
D25, D29,
D72
HPF
LPF
LPF
LIMITER
BAND
SW
BAND
SW
BAND
SW
BAND
SW
BAND
SW
BAND
SW
BAND
SW
ANTENNA
ATT
ANT
SW
1st mixer
(IC1)
1st LO
IC11
2nd mixer
rcuit
• RF CIRCUIT

Other manuals for Icom IC-R5

Related product manuals