EasyManua.ls Logo

Ideal Heating LOGIC MAX SYSTEM2 S24 - Wiring Diagram

Default Icon
62 pages
Print Icon
To Next Page IconTo Next Page
To Next Page IconTo Next Page
To Previous Page IconTo Previous Page
To Previous Page IconTo Previous Page
Loading...
28
Installation and Servicing
Section 2 - Installation
INSTALLATION
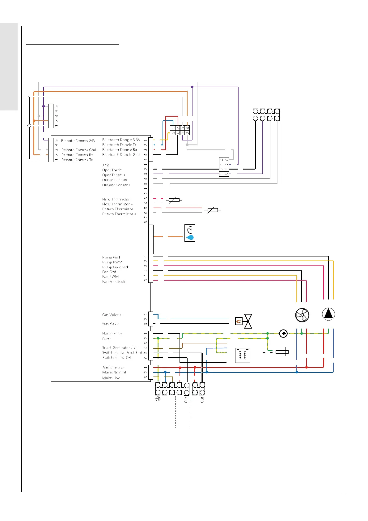
2.23 WIRING DIAGRAM
Water
Pressure
Switch
Return
Thermistor
Flow
Thmr
Weather
Compensaon
Open
Therm
Primary PCB
Aperture
Connector
Chassis
Connector
Mains
In
N
L
Electrode
Spark
Generator
1
2
3
Fan
2
3
4
Pump
1
2
3
3
2
1
2
Gas
Valve
1
X7
X1
X2
X3
X5
X6
X8
X9
X10
g/y
br
b
r
bk
r
w
br
g/y
bk
b
g/y
g/y
bk
b
r
r
b
Chassis
Earth
bk
b
p
y
bk
p
y
bk
or
bk
bk
r
bk
p
gy
bk
v
bk
y
b
r
bk
v
bk
o
gy
v
1235 4
v
o
v
w
w
-
WPS Signal
WPS Gnd
1
2
3
4
5
6
g/y
Switched
Live 1
Out
In
Switched
Live 2
Out
In
gy
Key
bk: Black
gy: Grey
r: Red
g: green
b: blue
br: brown
g/y: green/yellow
o: orange
p: pink
v: violet
y: yellow
w: white

Table of Contents

Other manuals for Ideal Heating LOGIC MAX SYSTEM2 S24

Related product manuals