EasyManua.ls Logo

Ilife A20 - Sensor y Estructura

Ilife A20
56 pages
Print Icon
To Next Page IconTo Next Page
To Next Page IconTo Next Page
To Previous Page IconTo Previous Page
To Previous Page IconTo Previous Page
Loading...
Composición del Producto
Para más información detallada, por favor visite: www.iliferobot.com 7
Español
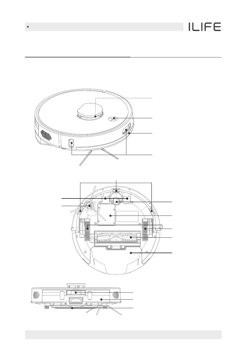
Sensor y estructura
Botón de liberación del depósito
Cubo de polvo
Rascador de limpieza
Cepillo lateral
Sensor de desnivel
Rueda universal
Tapa de la batería
Rueda de tracción
Cepillo rodante
Cubo de polvo
Botón
Parachoques
Sensor de caídas
Radar láser
Pins de carga

Related product manuals