EasyManua.ls Logo

Ilife A20 - Sensor and Structure

Ilife A20
56 pages
Print Icon
To Next Page IconTo Next Page
To Next Page IconTo Next Page
To Previous Page IconTo Previous Page
To Previous Page IconTo Previous Page
Loading...
Product Composition
For more details, please visit www.iliferobot.com 7
English
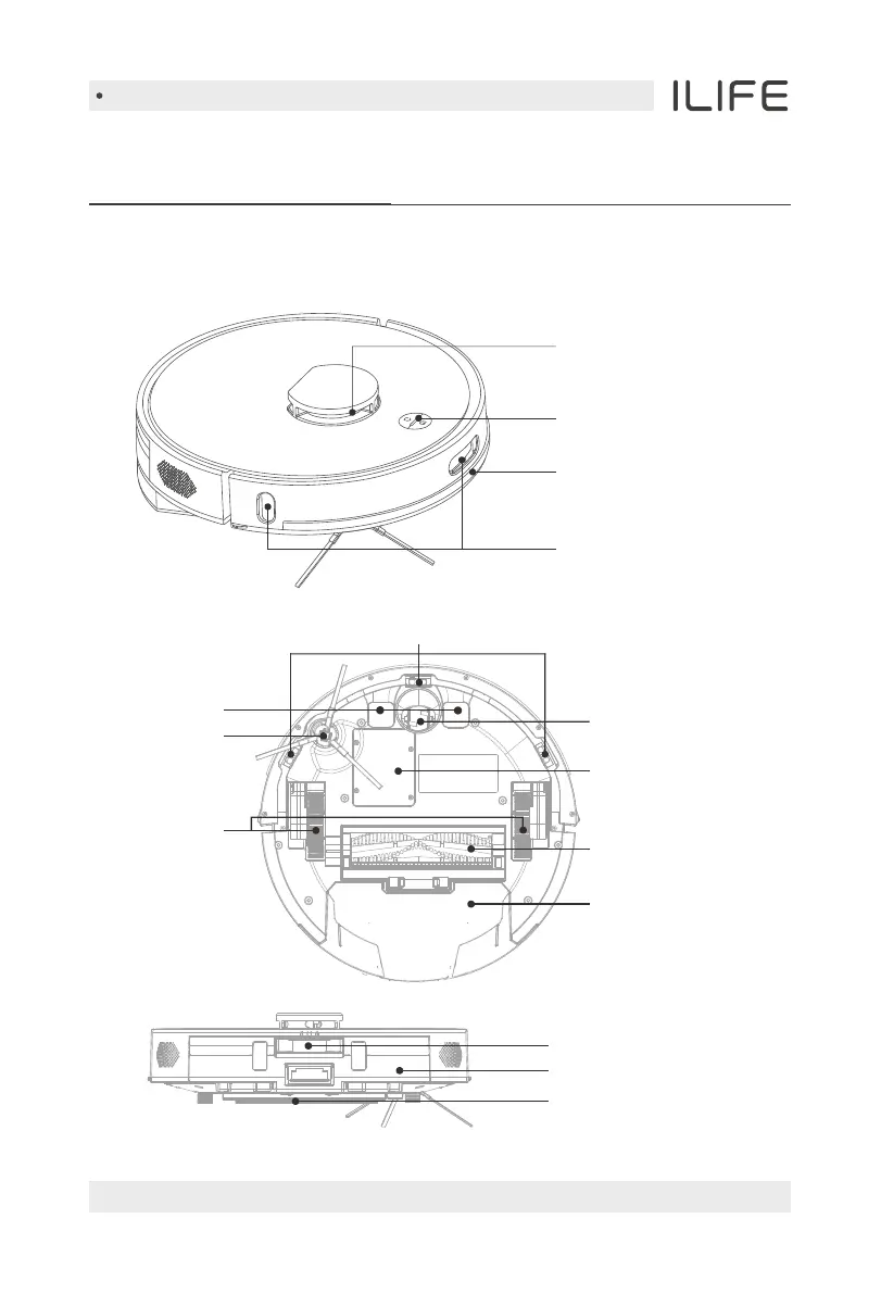
Sensor and structure
Dustbin Release Button
Dustbin
Cleaning scraper
Nose Wheel Sensor
Battery Lid
Side Brushes
Side Wheels
Cliff Sensors
Roller brush
2-in-1 Dustbin
and Water Tank
Button
Bumper
Infrared receiver sensor
Laser radar
Charging Pins

Related product manuals