EasyManua.ls Logo

IMO Precision Controls Jaguar VXS - 9.5 Protection Circuits

Default Icon
67 pages
Print Icon
To Next Page IconTo Next Page
To Next Page IconTo Next Page
To Previous Page IconTo Previous Page
To Previous Page IconTo Previous Page
Loading...
57
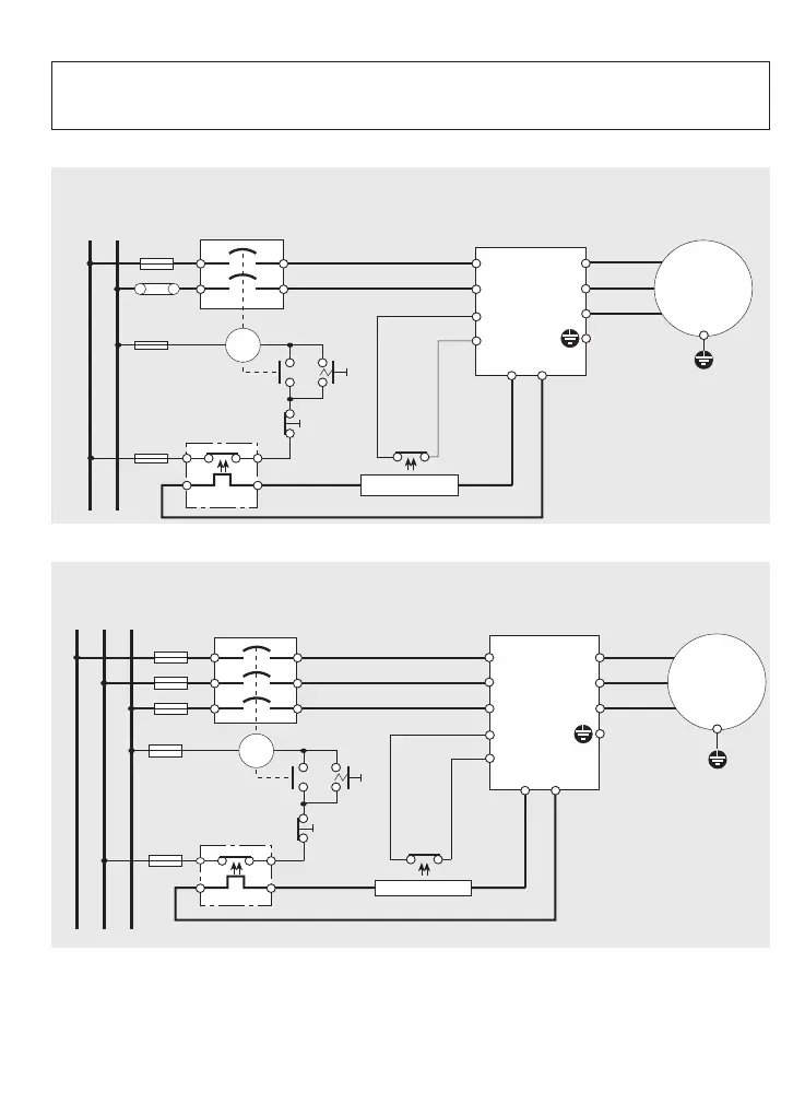
9.5 Protection Circuits
Typical Single-phase Protection
Typical Three-phase Protection
NOTES
1 Screening and filtering for EMC is omitted
for clarity.
2 Observe correct polarity and connections.
KEY
DBR Braking resistor F Control circuit fuses
O/L Series-connected thermal overload sensor
RTS Resistor temperature sensor
TT Thermal trip switch
CAUTION When using an external braking resistor, it is essential that a series-connected
thermal overload trip circuit is installed and that it opens the main power supply switch
if a braking overload occurs.
Single-phase Supply System
INPUT
CONTACTOR
VXSxx-1
INVERTER
NL
TT
O/L
DBR
RTS
F
C
M
F
U
V
W
DB
(+)
L
N
P24
THR
L1 L3L2
TT
O/L
DBR
RTS
F
C
M
F
Three-phase Supply System
INPUT
CONTACTOR
VXSxx-3
INVERTER
U
V
W
DB
(+)
L1
THR
P24
L2
L3