EasyManua.ls Logo

Integra DTR-5.3 - Initial Setup; Supplied Accessories; Remote Controller Installation

Integra DTR-5.3
47 pages
Print Icon
To Next Page IconTo Next Page
To Next Page IconTo Next Page
To Previous Page IconTo Previous Page
To Previous Page IconTo Previous Page
Loading...
A
MULTICHANNEL INPUT / DVD IN
DVD/ LDVD/ RSLSRC
SW
FRONT SPEAKERS
LEFT
RIGHT
CENTER
BACK
SURROUND SPEAKERS
LEFT
RIGHT
SP-B
RIGHT
LEFT
AC OUTLET
FUSE
RS 232
SUBWOOFER PREOUT
SW->R
SW->L
VOLTAGE SENSOR
CURRENT SENSOR
-12V
+12V
+7V
AUDIO
-7V
AUDIO
MUTE
MUTE
MUTE
MUTE
-27V
-VP
+5V
VIDEO
12V
TRIGGER
CONTROL
IR
DE-MODULATOR
12V TRIGGER
+B3
RELAY
+B2
FLAC
FL TUBE
FLAC
MAIN AMP
+B1/-B1
-12V
AUDIO
+5V
DSP
+12V
AUDIO
MUTE
MUTE
MUTE
THERMAL
SENSOR
RI
INTERFACE
+5.6V
STANDBY
16MHZ
COMPONENT VIDEO OUITPUT
Y
CB
CR
HEAD PHONE
REMOTE SENSOR
IR OUT
IRIN
12V TRIGGER
A
B
RI
T902
T901
AC IN
BASS/TREBLE
BASS/TREBLE
BD3811K1
(2/2)
-1
-1
MPD4721GS
RS 232
INTERFACE
0
KLPF
K
LPF
0
KLPF
0
KLPF
0
KLPF
0
KLPF
0
KLPF
BD3812
MASTER VOLUME
CUT
BOOST
Z2R
Z2L
DSW
MCSW
DC
MCC
MCL
BL
TL
DL
BR
TR
MCR
DR
MCSR
DSR
DSL
MCSL
BYPASS
BYPASS
TV-8
HPEN
HPMUT
VOLH
SPF
SPCS
SPB/Z2
Z2MUTE
AUMUT
POWER
SEC1H
CNPT
rix
n
trol
+29dB
+29dB
+29dB
+29dB
+29dB
+29dB
Power Amplifier
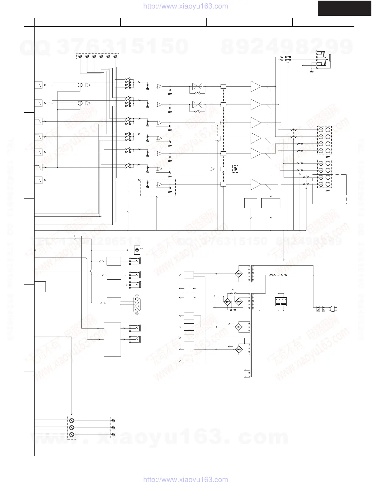
DTR-5.3
BLOCK DIAGRAM
A
1
2
3
4
5
BCD
w
w
w
.
x
i
a
o
y
u
1
6
3
.
c
o
m
Q
Q
3
7
6
3
1
5
1
5
0
9
9
2
8
9
4
2
9
8
T
E
L
1
3
9
4
2
2
9
6
5
1
3
9
9
2
8
9
4
2
9
8
0
5
1
5
1
3
6
7
3
Q
Q
TEL 13942296513 QQ 376315150 892498299
TEL 13942296513 QQ 376315150 892498299
http://www.xiaoyu163.com
http://www.xiaoyu163.com

Other manuals for Integra DTR-5.3

Related product manuals