EasyManua.ls Logo

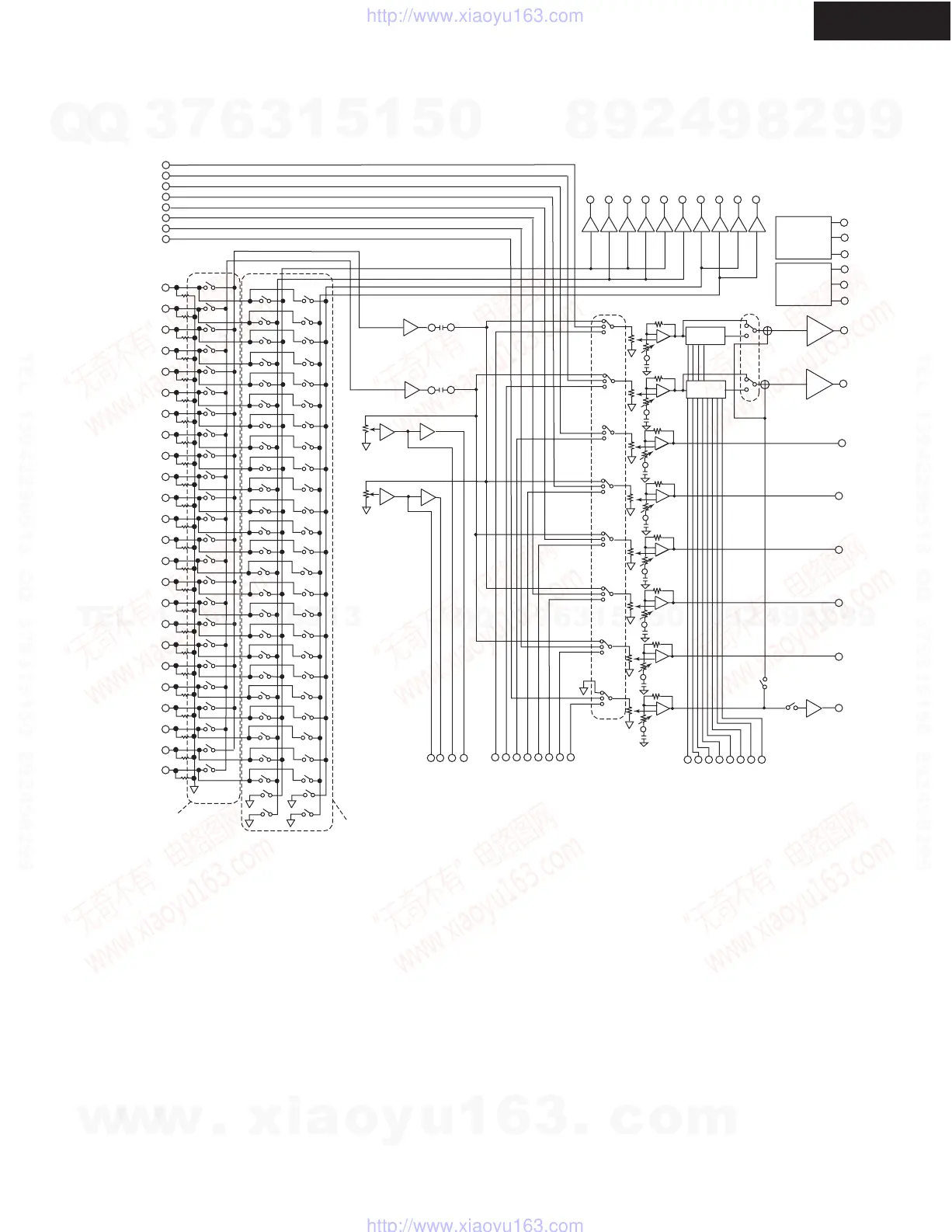
Integra DTR-6.5 - IC Block Diagrams and Descriptions - NJW1157 Volume Control IC; NJW1157 8-Channel Volume Control Block Diagram

Integra DTR-6.5
119 pages
Print Icon
To Next Page IconTo Next Page
To Next Page IconTo Next Page
To Previous Page IconTo Previous Page
To Previous Page IconTo Previous Page
Loading...
DTR-6.5
NJW1157(8-Channel Electronic Volume with Input Selector)
IC BLOCK DIAGRAMS AND DESCRIPTIONS
Att Gain
Att Gain
Multi-channel
RECA1L
RECA1R
RECA2L
RECA2R
RECA3L
RECA3R
RECB1L
RECB1R
RECB2L
RECB2R
DCLA1 DCLA2
DCRA1 DCRA2
TONE
TONE
TSW
SW
SW
Supply
Voltage
uCOM
Interface
V+
GND
V-
LATCH
DATA
CLOCK
L OUT
ROUT
COUT
LSOUT
RSOUT
LBOUT
RBOUT
SWOUT
BSW
SSW
Amp
Gain
FIL1_R
FIL2_R
FIL3_R
FIL4_R
FIL1_L
FIL2_L
FIL3_L
FIL4_L
SWBIN
RBBIN
LBBIN
RSBIN
LSBIN
CBIN
RBIN
LBIN
FR-
FR+
FL-
FL+
Multi-Channel Input B
REC Out Selector
Input Selector
L1IN
R1IN
L2IN
R2IN
L3IN
R3IN
L4IN
R4IN
L5IN
R5IN
L6IN
R6IN
L7IN
R7IN
L8IN
R8IN
L9IN
R9IN
L10IN
R10N
L11IN
R11IN
L12IN
R12IN
LAIN
RAIN
CAIN
LSAIN
RSAIN
LBAIN
RBAIN
SWAIN
Multi-Channel Input A
2 Channel Input
w
w
w
.
x
i
a
o
y
u
1
6
3
.
c
o
m
Q
Q
3
7
6
3
1
5
1
5
0
9
9
2
8
9
4
2
9
8
T
E
L
1
3
9
4
2
2
9
6
5
1
3
9
9
2
8
9
4
2
9
8
0
5
1
5
1
3
6
7
3
Q
Q
TEL 13942296513 QQ 376315150 892498299
TEL 13942296513 QQ 376315150 892498299
http://www.xiaoyu163.com
http://www.xiaoyu163.com

Related product manuals