EasyManua.ls Logo

Intermec EasyCoder PD42 - Page 38

Intermec EasyCoder PD42
110 pages
Print Icon
To Next Page IconTo Next Page
To Next Page IconTo Next Page
To Previous Page IconTo Previous Page
To Previous Page IconTo Previous Page
Loading...
Chapter 3 — Replacing Parts
24 EasyCoder PD41/PD42 Printer Service Manual
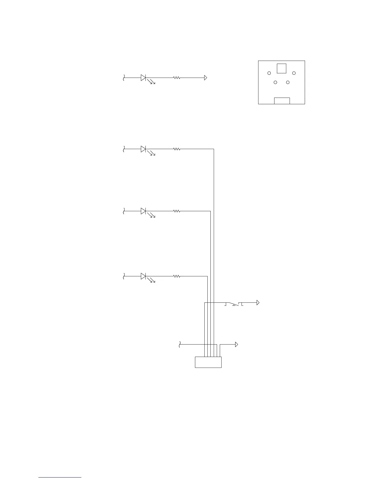
Console PCB: Schematics
COMPON ENT PLACEMENT REF.
TOP SIDE VIEW
P1
D4
SW1
D3
GREEN
BLUE
D2
GREEN
D1
RED
GREEN
220
D2
LED_3MM
5V
5V
5V
D1
4
6-PIN
P1
1
2
6
5
3
4
SW1
2
1
3
RED
R1
LED_3MM
220
R2
BLUE
5V
560
R3
LED_3MM
5V
LED_3MM
D4
220
R4
GREEN
D3

Table of Contents

Other manuals for Intermec EasyCoder PD42

Related product manuals