EasyManua.ls Logo

Intermec EasyCoder PD42 - Page 83

Intermec EasyCoder PD42
110 pages
Print Icon
To Next Page IconTo Next Page
To Next Page IconTo Next Page
To Previous Page IconTo Previous Page
To Previous Page IconTo Previous Page
Loading...
Chapter 3 — Replacing Parts
EasyCoder PD41/PD42 Printer Service Manual 69
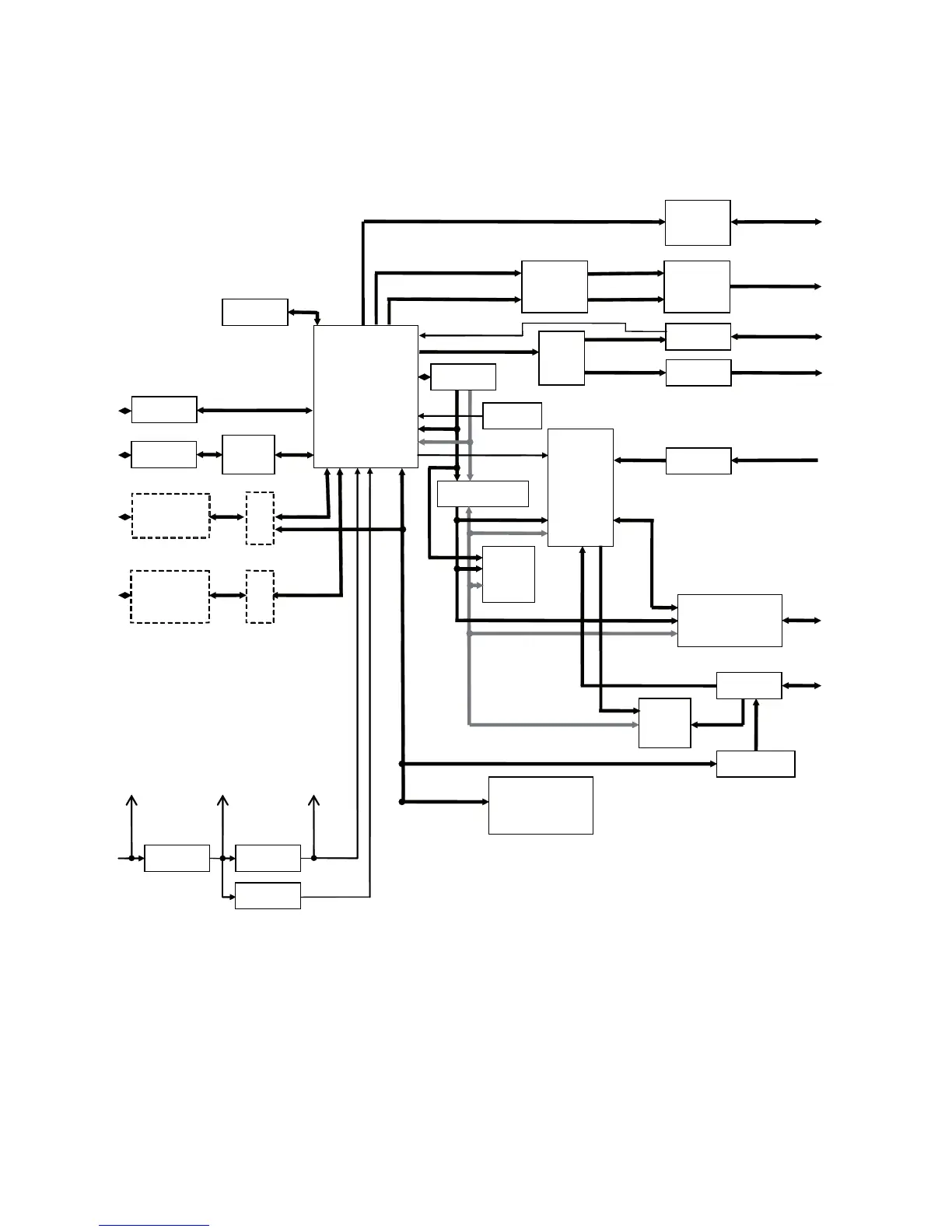
Main Board Block Diagram (PD41)
CPU
NetSilicon
NS9360
RS232
RS232
driver
Ethernet
O
p
tion brd
Buffers/Transc
CPLD
EEPROM
(Part No, Serial No,
etc)
5V driver
A/D
Sensors
Dig. Pot.
LEDs
CompactFlash
Stepper
driver
Cutter
TPH
24-to-5V
5-to-1.5V
IEEE1284
Option brd
Data
Addr
I2C
SPI
MII
B-Addr**
B-Data
5-to-3.3V
5V 3.3V
JTAG
24V
SDRAM
FLASH
Cr
y
stals
Timers, GPIO
1.5V
USB D
1284
bus
hdr
Timers
,
GPIO
Button
(
s
)
Clock
Str.+Latch
** B-Addr is low order bits only
hdr
Latch

Table of Contents

Other manuals for Intermec EasyCoder PD42

Related product manuals