EasyManua.ls Logo

Invacare IRC5PO2 - Page 43

Invacare IRC5PO2
88 pages
Print Icon
To Next Page IconTo Next Page
To Next Page IconTo Next Page
To Previous Page IconTo Previous Page
To Previous Page IconTo Previous Page
Loading...
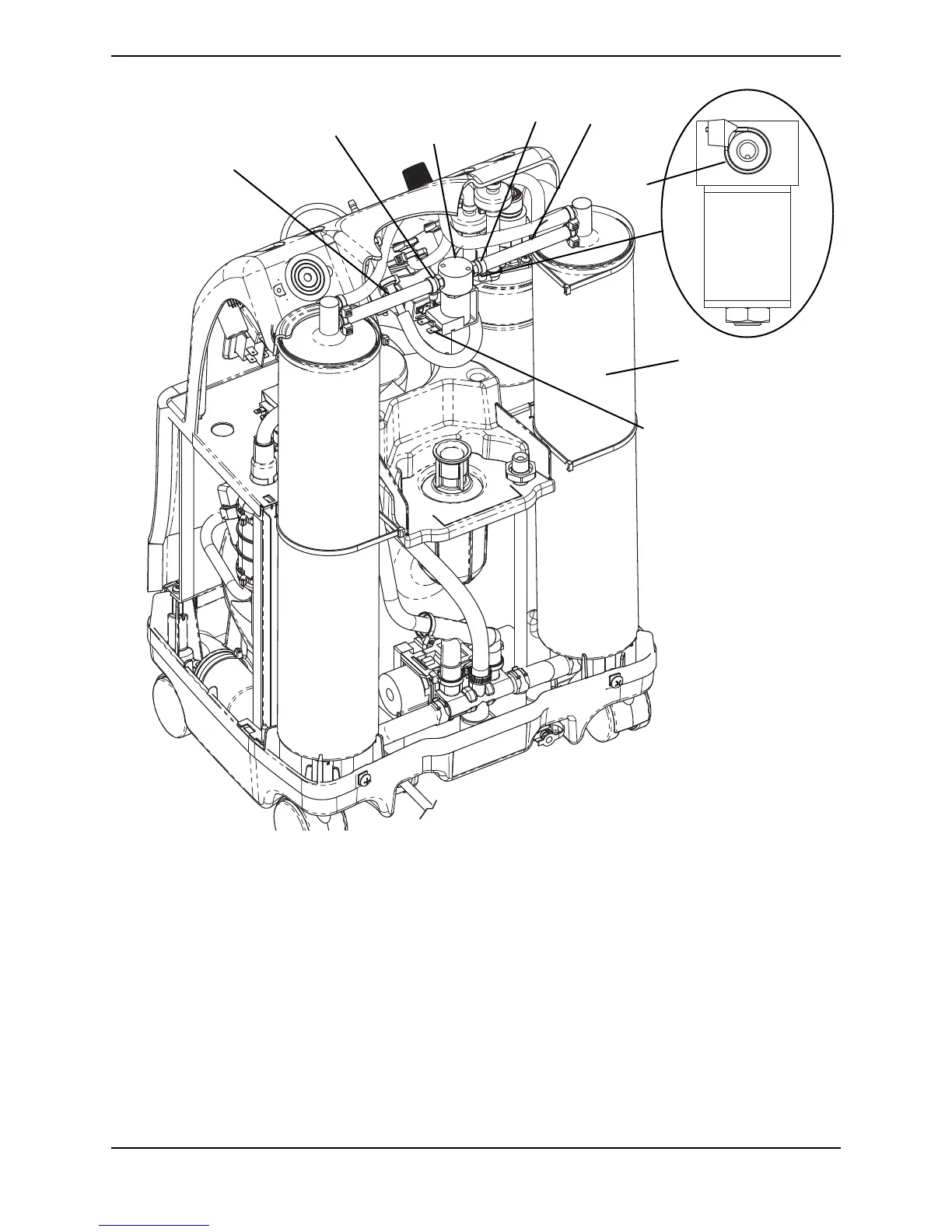
SECTION 8—P.E. VALVE
Part No 1148070 43 Perfecto
2
FIGURE 8.1 Replacing P.E. Valve
OUT
Tie-Wrap
P.E. Valve
Tubing
P.E. Valve
Tubing
P.E. Valve
Assembly
Sieve Bed
“Out” Port
Barb
Tie-Wrap
P.E. Valve Terminals (Spade
Connectors Attach Here
are not shown)

Table of Contents

Other manuals for Invacare IRC5PO2

Related product manuals