EasyManua.ls Logo

Invacare IRC5PO2 - Page 77

Invacare IRC5PO2
88 pages
Print Icon
To Next Page IconTo Next Page
To Next Page IconTo Next Page
To Previous Page IconTo Previous Page
To Previous Page IconTo Previous Page
Loading...
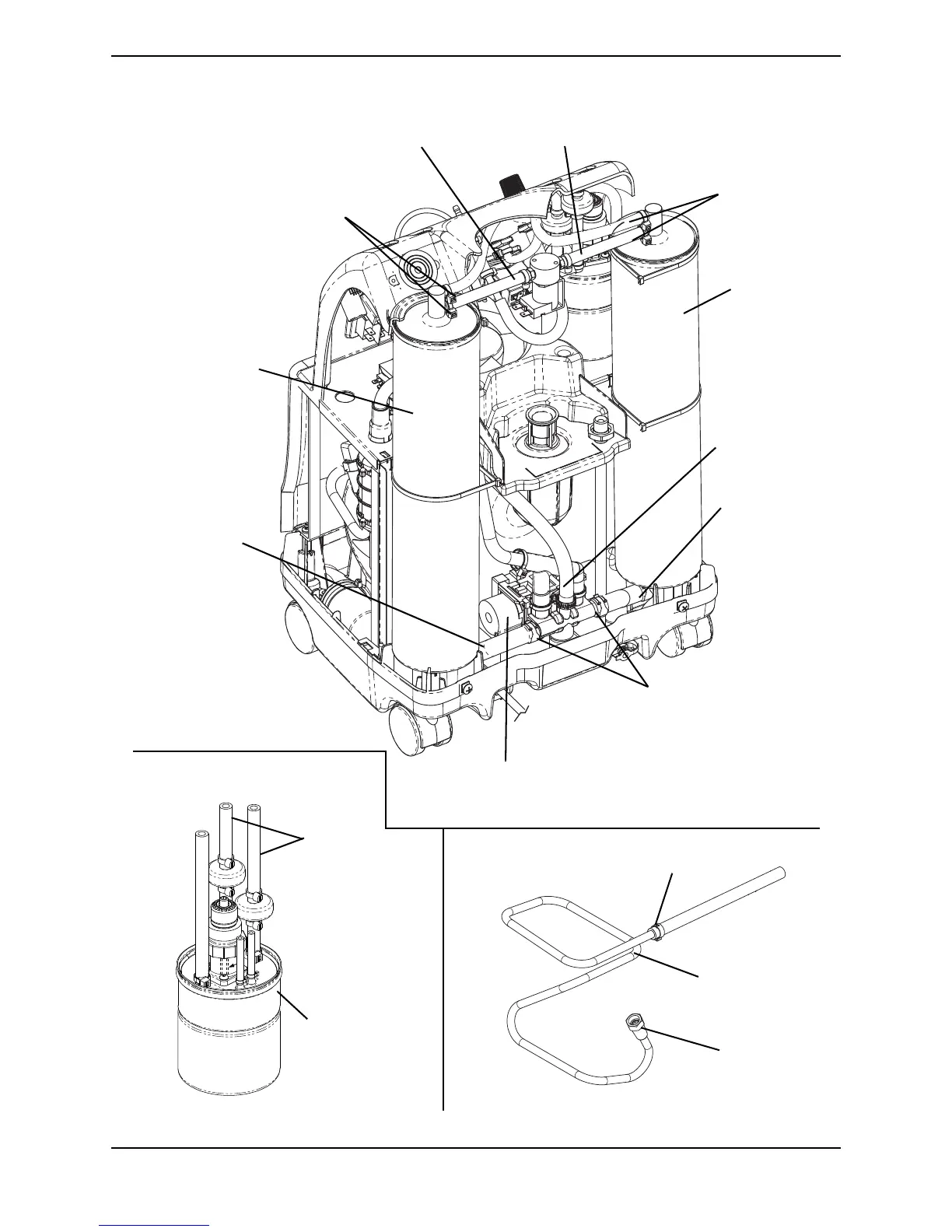
SECTION 23—LEAK TEST
Part No 1148070 77 Perfecto
2
FIGURE 23.1 Leak Test
Hose
Connections
to Top Fittings
of Sieve Beds
(STEP 6C)
Sieve Bed
Hose
Connections to
Bottom Fittings
of Sieve Beds
(STEP 6C)
DETAIL “A”
Hose fitting on
Center Port of 4-
way Valve/
Manifold Assembly
(STEP 6B)
Sieve Bed Hose
Connection At 4-way
Valve/manifold
Assembly (STEP 6A)
4-Way Valve/
Manifold
Assembly
Hose
Connections to
Bottom Fittings
of Sieve Beds
(STEP 6C)
Hose Connections to
Top Fittings of Sieve
Beds (STEP 6C)
Sieve Bed
P.E. Valve Hose
Connections (STEP 6D)
P.E. Valve Hose
Connections (STEP 6D)
Product Cap Tank
(Check all hoses/
valves attached)
Check
Valves
DETAIL “B”
DETAIL “C”
Heat Exchanger
Assembly
Fitting
Fitting

Table of Contents

Other manuals for Invacare IRC5PO2

Related product manuals