EasyManua.ls Logo

INVT CHV160A Series - P3 Group -PID Control

INVT CHV160A Series
321 pages
To Next Page IconTo Next Page
To Next Page IconTo Next Page
To Previous Page IconTo Previous Page
To Previous Page IconTo Previous Page
Loading...
C.TY TNHH TỰ ĐỘNG HÓA VIỆT TRUNG 02413.281.181-
0989.984.666
Website:www.viet-trung.com.vn Đ/c:194-Nguyễn Trãi-Võ Cường-
TP.Bắc Ninh
Setting
Range
Factory
Setting
P2.12~P2.15
Reserved
0
65535
0
65535
0
P3
Group
--P
I
D
Contr
ol
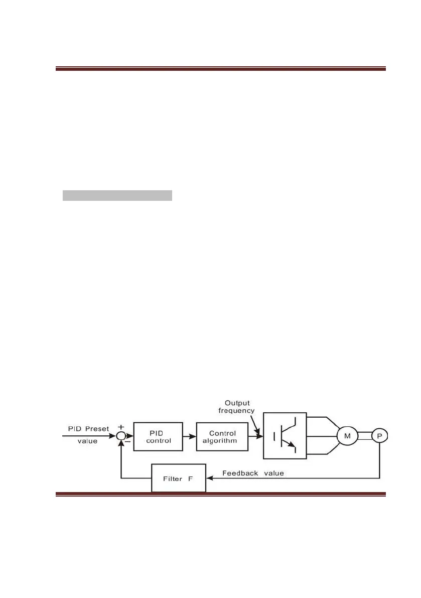
PID
control
is
a
common
used
method
in
process
control,
such
as
flow,
pressure
and
temperature
control.
The
principle
is
firstly
detecting
the
bias
between
preset
value
and
feedback
value,
then
calculate
output
frequency
of
inverter
according
to
proportional
gain,
integral
and
differential
time.
Please
refer
to
following
figure.
42
DIEN DAN BIEN TAN HTTP://BIENTAN.HNSV.COM
CHV160A
series
special
inverter
for
water
supply

Table of Contents

Related product manuals