EasyManua.ls Logo

INVT GD200-400G-4

INVT GD200-400G-4
266 pages
To Next Page IconTo Next Page
To Next Page IconTo Next Page
To Previous Page IconTo Previous Page
To Previous Page IconTo Previous Page
Loading...
Goodrive200 inverters Basic operation instruction
187
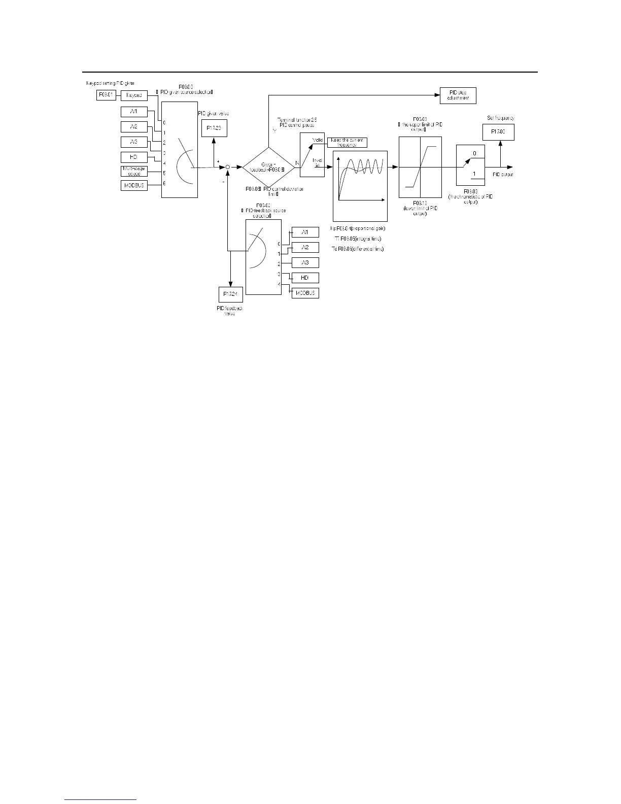
Simple illustration of the PID control operation and adjustment:
Proportional adjustment (Kp): when there is an error between the feedback and the reference, a
proportional adjustment will be output. If the error is constant, the adjustment will be constant, too.
Proportional adjustment can respond to the feedback change quickly, but it can not realize non-fault
control. The gain will increase with the adjustment speed, but too much gain may cause vibration. The
adjustment method is: set a long integration time and derivation time to 0 first. Secondly make the
system run by proportional adjustment and change the reference. And then watch the error of the
feedback signal and the reference. If the static error is available (for example, increasing the
reference, the feedback will be less than the reference after a stable system), continue to increase the
gain, vice versa. Repeat the action until the static error achieves a little value.
Integration time (Ti): the output adjustment will accumulate if there is an error between the feedback
and the reference. The adjustment will keep on increasing until the error disappears. If the error is
existent all the time, the integration adjustor can cancel the static error effectively. Vibration may
occur as a result of unstable system caused by repeated over-adjustment if the integration adjustor is
too strong. The features of this kind of vibration are: the fluctuating feedback signal (around the
reference) and increasing traverse range will cause vibration. Adjust the integration time parameter
from a big value to a little one to change the integration time and monitor the result until a stable
system speed is available.
Derivation time (Td): when the error between the feedback and the reference, a proportional
adjustment will be output. The adjustment only depends on the direction and value of the error
change other than the error itself. The derivation adjustment controls the change of feedback signals

Table of Contents

Related product manuals