EasyManua.ls Logo

IOtech Digital488OEM - Digital488 Mother Board

Default Icon
64 pages
Print Icon
To Next Page IconTo Next Page
To Next Page IconTo Next Page
To Previous Page IconTo Previous Page
To Previous Page IconTo Previous Page
Loading...
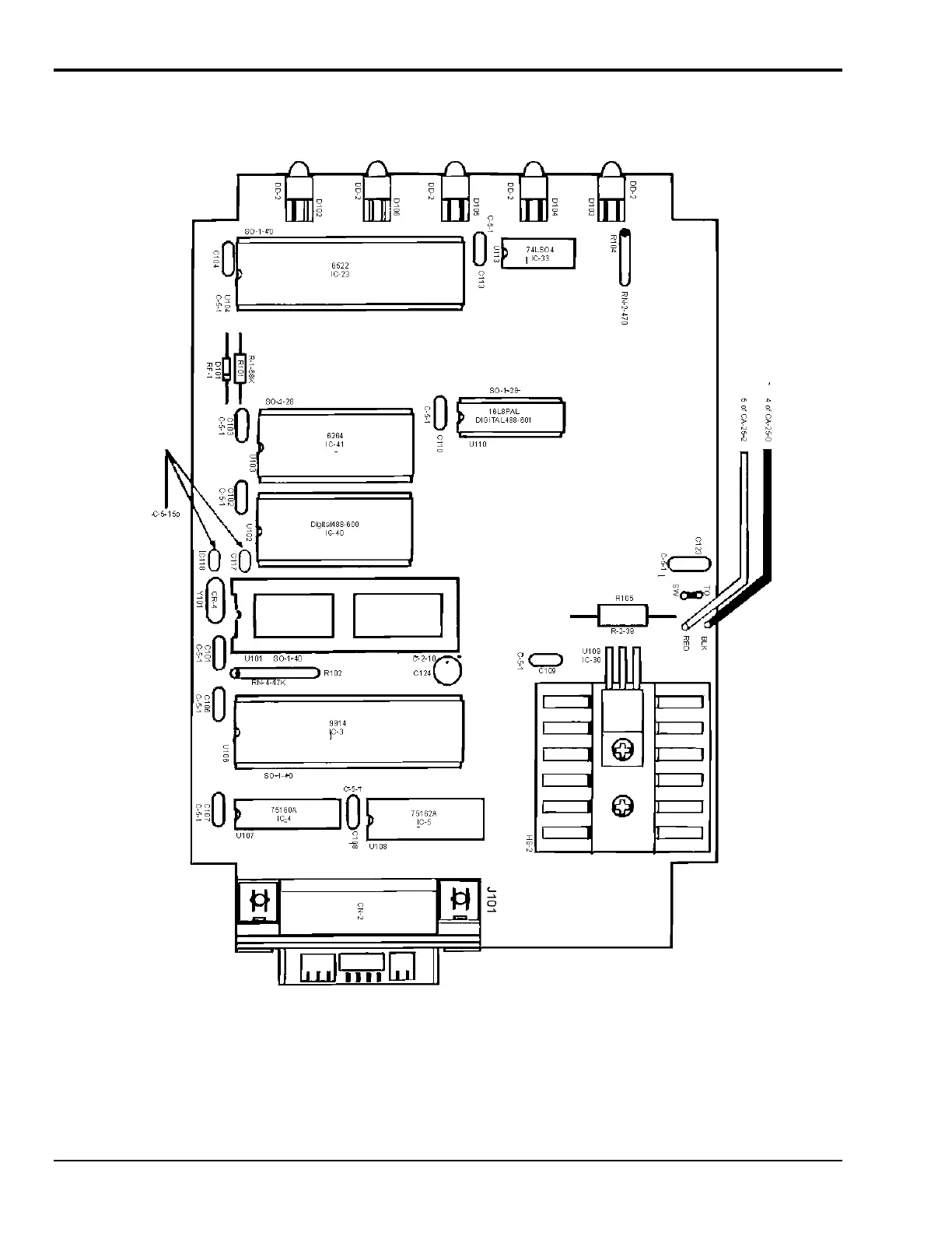
Digital488 Mother Board
Component Layout
5-2, Service Information 916895 Digital488 User’s Manual

Table of Contents