EasyManua.ls Logo

iPower AP10000E - Circuit Diagram

iPower AP10000E
104 pages
Print Icon
To Next Page IconTo Next Page
To Next Page IconTo Next Page
To Previous Page IconTo Previous Page
To Previous Page IconTo Previous Page
Loading...
Page 25
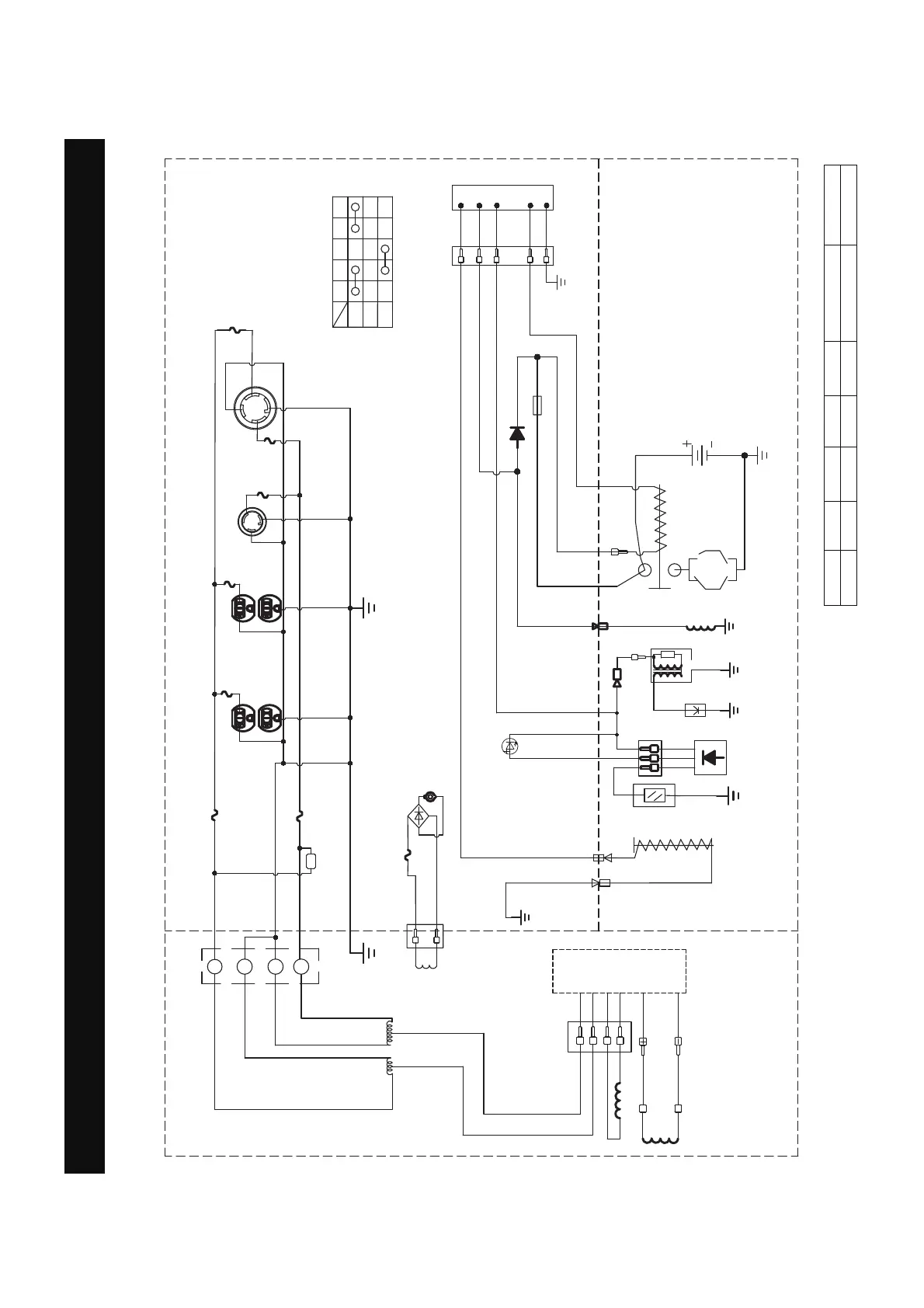
Circuit Diagram
Grounding system(AC): Neutral Bonded To Frame
B:BLACK
Br:BROWN
G:GREEN
Gy:GRAY
L:BLUE
O:ORANGE
R:RED
W:WHITE
Y:YELLOW
P:PINK
B/W:BLACK/WHITE
Y/G:YELLOW/GREEN
R/W:RED/WHITE
Grounding system(DC): System Floating
CIRCUIT DIAGRAM
Model: AP10000E
:
*
/
%
/
5
97)
%
%
*<
:
$
9'&$
12V
/
/
$
$
)XVH$
%U
%
:
67
,*
(
)6
*
67$57
21
2))
67
(
,*
)6
*
:
*:
*:
%:
*
%
2
2
<
/RZRLOLQGLFDWRU/('
5
%:
$
$
)XHOFXW
VROHQRLG
/RZRLO
VKXWGRZQ
PRGXOH
6SDUN
SOXJ
OJQLWLRQ
FRLO
/RZRLO
VKXWGRZQ
VZLWFK
&KDUJLQJ
FRLO
6WDUWHUPRWRU
%DWWHU\
$
9
5
2
2
%5<
%
%
%
%
%U
5RWRU
([FLWDWLRQFRLO
*
:
6WDWRUFRLO
9'&FRLO
5HFWLILHU
(QJLQHVZLWFK
(QJLQHVZLWFK
$
/5
$
/5
$
5
$
5
%
%
%
%
%
:
:
:
:
::
:
:
%
%
%
%
%
*<
*<
*<
*<
*<
*<
*<
*<
$/7(51$725
(1*,1(
&21752/3$1(/
*:
*:
%
%:
*
$
$
$
*:
%U

Table of Contents

Other manuals for iPower AP10000E

Related product manuals