EasyManua.ls Logo

iPower AP10000E - Diagrama de Circuitos

iPower AP10000E
104 pages
Print Icon
To Next Page IconTo Next Page
To Next Page IconTo Next Page
To Previous Page IconTo Previous Page
To Previous Page IconTo Previous Page
Loading...
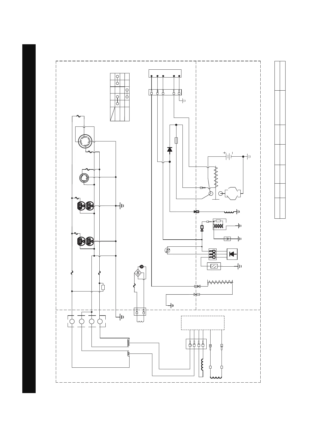
Página 28
Diagrama de Circuitos
Diagrama de Circuitos
Modelo: AP10000E
Sistema de puesta a tierra(AC):Neutro Unido al Bastidor Sistema de puesta a tierra(AC):Flotación del Sistema
B:NEGRO
Br:MARRÓN
G:VERDE
Gy:GRIS
L:AZUL
O:NARANJA
R:ROSA
W:MBLANCO
Y:AMARILLO
P:ROSA
B/W:NEGRO/BLANCO
Y/G:AMARILLO/VERDE
R/W:ROJO/BLANCO
:
*
/
%
/
5
97)
%
%
*<
:
$
9&&$
12V
/
/
$
$
)XVLEOH$
%U
%
:
67
,*
(
)6
*
&20,(1=2
62%5(
$3$*$'2
67
(
,*
)6
*
:
*:
*:
%:
*
%
2
2
<
,QGLFDGRUGHDFHLWHEDMR/('
5
%:
$
$
6ROHQRLGHGH
FRUWHGH
FRPEXVWLEOH
0qGXORGH
DSDJDGR
SRUEDMR
QLYHOGH
DFHLWH
%XMoD
ERELQDGH
HQFHQGLGR
,QWHUUXSWRU
GHDSDJDGR
SRUEDMR
QLYHOGH
DFHLWH
%RELQD
GH
FDUJD
$UUDQFDHOPRWRU
%DWHUoD
$
9
5
2
2
%5<
%
%
%
%
%U
5RWRU
%RELQDGHH[FLWDFLqQ
*
:
%RELQDGHO
HVWDWRU
%RELQDGH
9'&
5HFWLILFDGRU
,QWHUUXSWRUGHOPRWRU
,QWHUUXSWRUGHOPRWRU
$
/5
$
/5
$
5
$
5
%
%
%
%
%
:
:
:
:
::
:
:
%
%
%
%
%
*<
*<
*<
*<
*<
*<
*<
*<
$/7(51$'25
02725
3$1(/'(&21752/
*:
*:
%
%:
*
$
$
$
*:
%U

Table of Contents

Other manuals for iPower AP10000E

Related product manuals