EasyManua.ls Logo

iPower AP10000E - Schéma du Circuit

iPower AP10000E
104 pages
Print Icon
To Next Page IconTo Next Page
To Next Page IconTo Next Page
To Previous Page IconTo Previous Page
To Previous Page IconTo Previous Page
Loading...
Page 26
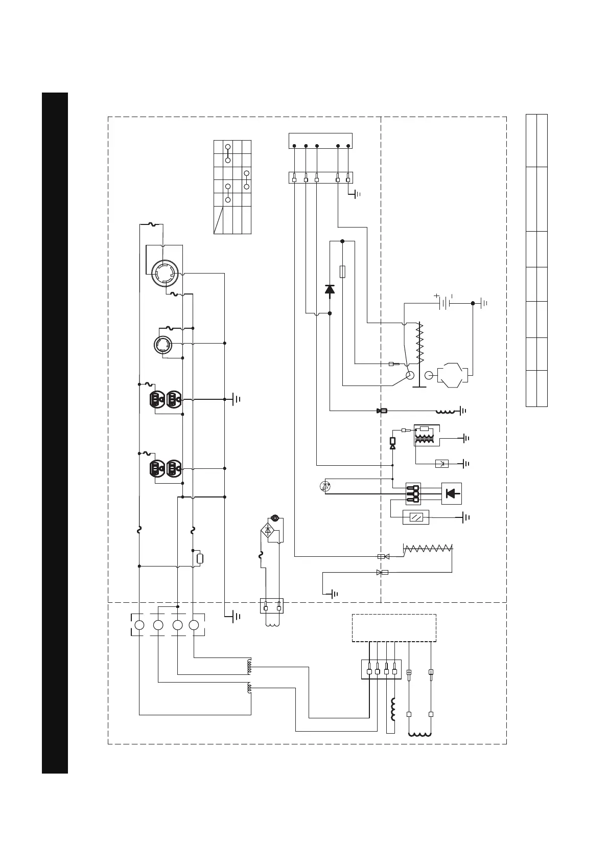
Schéma du circuit
Modèle : AP10000E
Système de mise à la terre ( CA ) : Neutre collé à la monture Système de mise à la terre ( CC ) : Système flottant
B:NOIR
Br:BROWN
G:VERT
Gy:GRIS
L:BLUE
O:ORANGE
R:ROUGE
W:BLANC
Y:JAUNE
P:ROSE
N/B:NOIR/BLANC
Y/G:JAUNE/VERT
R/W:ROUGE/BLANC
:
*
/
%
/
5
97)
%
%
*<
:
$
9&&$
12V
/
/
$
$
)XVLEOH$
%U
%
:
67
,*
(
)6
*
'Ϸ%87
$8
'Ϸ6$&7,9Ϸ
67
(
,*
)6
*
:
*:
*:
%:
*
%
2
2
<
,QGLFDWHXUGHEDVQLYHDXGKXLOH/('
5
%:
$
$
6ROlQRЕGHGH
FRXSXUHGH
FDUEXUDQW
0RGXOH
GDUUmW
SRXU
PDQTXH
GKXLOH
%RXJLH
GDOOXPDJH
%RELQH
GDOOXPDJH
,QWHUUXSWHXU
GDUUmWGH
EDVQLYHDX
GKXLOH
%RELQH
GH
FKDUJH
GlPDUUHOHPRWHXU
%DWWHULH
$
9
5
2
2
%5<
%
%
%
%
%U
5RWRU
%RELQHGH[FLWDWLRQ
*
:
%RELQHGH
VWDWRU
%RELQH
9&&
5HGUHVVHXU
&RPPXWDWHXUGHPRWHXU
&RPPXWDWHXUGHPRWHXU
$
/5
$
/5
$
5
$
5
%
%
%
%
%
:
:
:
:
::
:
:
%
%
%
%
%
*<
*<
*<
*<
*<
*<
*<
*<
$/7(51$7(85
027(85
3$11($8'(&200$1'(
*:
*:
%
%:
*
$
$
$
*:
%U
Schéma du circuit

Table of Contents

Other manuals for iPower AP10000E

Related product manuals