EasyManua.ls Logo

ISA T 2000 - Page 37

Default Icon
110 pages
Print Icon
To Next Page IconTo Next Page
To Next Page IconTo Next Page
To Previous Page IconTo Previous Page
To Previous Page IconTo Previous Page
Loading...
DOC. MIE11110 Rev. 5
Page
37
of
110
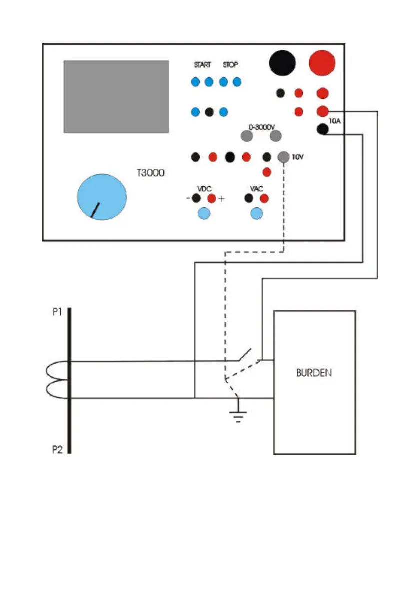
The CT secondary is disconnected, and the selected T 2000
current output connected.
For the connection, use the following cables:
A) Output connection:
- N. 2 Low current connection cables, 10 sq. mm, 4 m long.
Terminated on one side with the current clamp.

Related product manuals