EasyManua.ls Logo

ISA T 2000 - Page 41

Default Icon
110 pages
Print Icon
To Next Page IconTo Next Page
To Next Page IconTo Next Page
To Previous Page IconTo Previous Page
To Previous Page IconTo Previous Page
Loading...
DOC. MIE11110 Rev. 5
Page
41
of
110
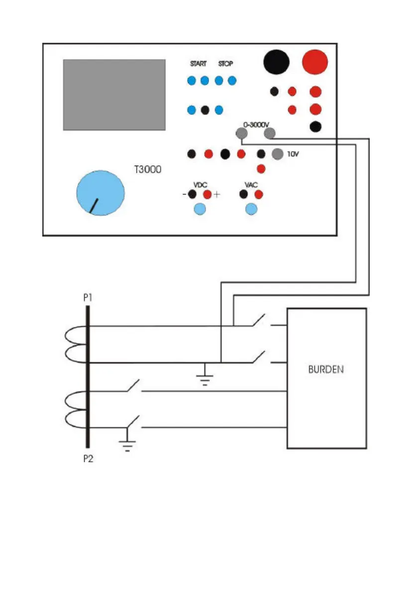
NOTE: the drawing shows the output connection to 3000 V.
For the connection, use the following cables:
A) Output connection, 3000 V:

Related product manuals