Home
ISA
Test Equipment
T 2000
Page 59
ISA T 2000 - Page 59
110 pages
Manual
Save Page as PDF
To Next Page
To Next Page
To Previous Page
To Previous Page
Loading...
DOC. MIE11110 Rev. 5
Page
59
of
110
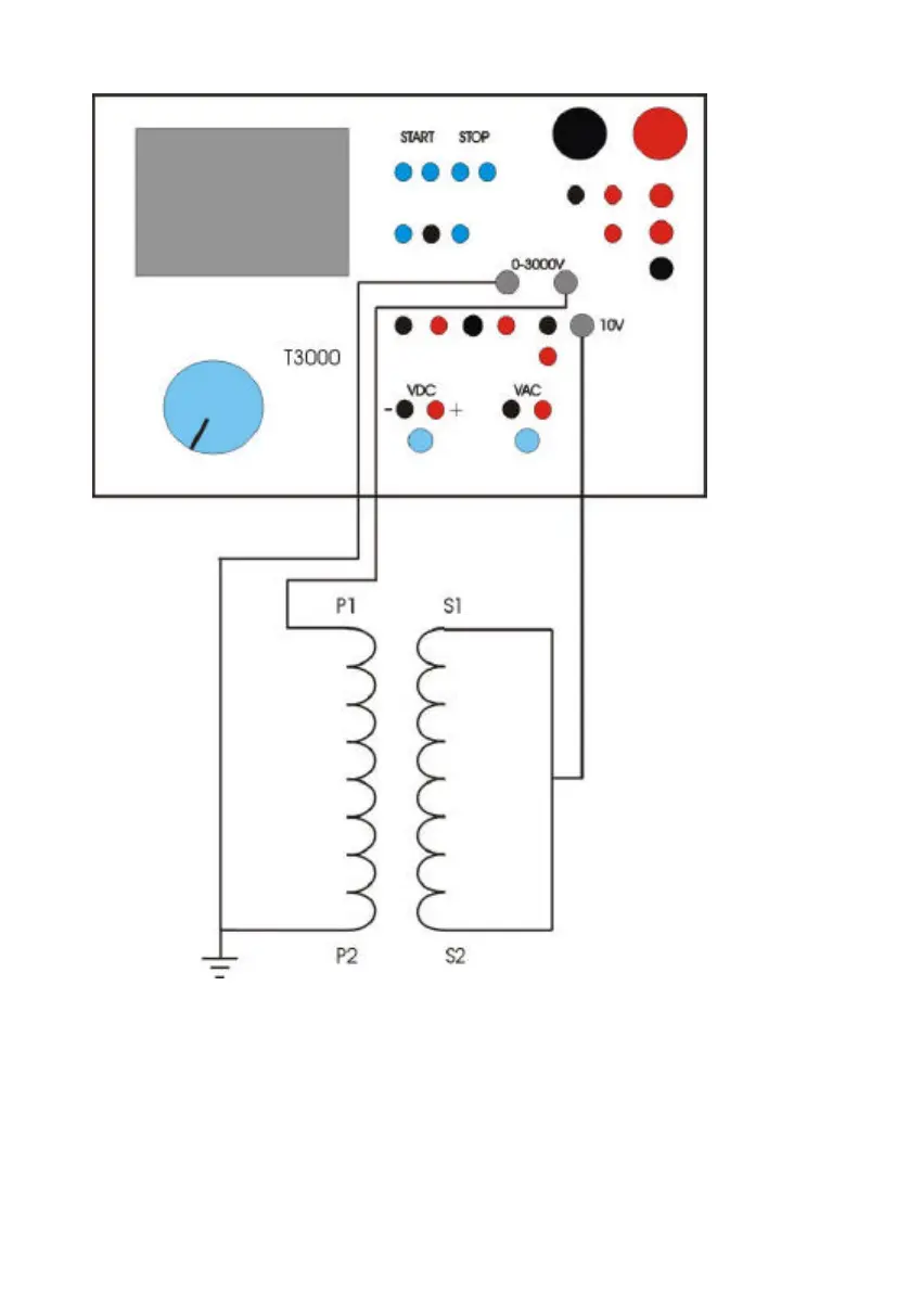
A) Output c
onnection:
-
N. 2 High voltage connection cables, 4 m long, 5 kV, with earth
screen
, t
erminated on both sides with HV connectors.
-
N. 2 Clamps for the HV connection.
B) Input connection, voltage less than 10 V:
58
60
Table of Contents
Main Page
Table of Contents
3
Short Foreword
4
Safety at Work
5
Introduction
9
Transformer Tests Application Examples
10
Current Transformer Tests
11
CT Tests : Ratio, Polarity Voltage Mode
11
CT Tests : Ratio, Polarity and Burden
16
CT Tests : Ratio, Polarity with Booster
21
CT Tests : Burden, Secondary Side
36
CT Tests : Excitation Curve
39
CT Tests : Winding or Burden Resistance
47
CT Tests : Voltage Withstand
50
CT Tests : Polarity by Impulses
54
Voltage Transformers Tests
57
1: VT Tests: Ratio and Polarity
57
2: VT Tests: Burden, Secondary Side
61
3: VT Tests: Ratio, Electronic Transformers
63
4: VT Tests: Voltage Withstand
64
5: VT Tests: Secondary Over-Current Protection
66
Power Transformers Tests
68
1: PT Tests: Ratio Per TAP
68
2: PT Tests: Resistance of LTC Contacts
72
3: PT Tests: Dynamic LTC Test
76
Tests: PT Ratio Test
84
Resistance Tests
86
Microohmmeter
86
Earth Resistance
90
Soil Resistivity
95
Line Impedance Tests
99
Line Impedance Measurement
99
Earth Impedance Measurement
101
Mutual Factor Measurement
103
Appendix: Dynamic Tap Changer Testing
107
Related product manuals
ISA T1000 PLUS
145 pages
ISA BTS200 MKII
10 pages
ISA T2000
32 pages
ISA DRTS.3 PLUS
24 pages