EasyManua.ls Logo

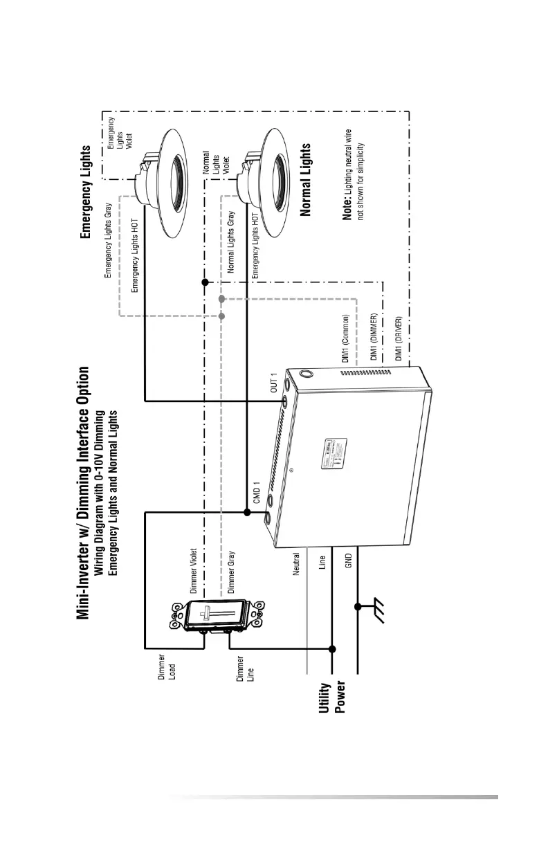
Isolite E3MINI Series - DIMMING INTERFACE WIRING DIAGRAM; 0-10 V Dimming Wiring for Lights

Isolite E3MINI Series
32 pages
Print Icon
To Next Page IconTo Next Page
To Next Page IconTo Next Page
To Previous Page IconTo Previous Page
To Previous Page IconTo Previous Page
Loading...
E3MINI SERIES | 25

Related product manuals