EasyManua.ls Logo

IST 18.BF200D - Dimensional Drawings

IST 18.BF200D
56 pages
Print Icon
To Next Page IconTo Next Page
To Next Page IconTo Next Page
To Previous Page IconTo Previous Page
To Previous Page IconTo Previous Page
Loading...
18-7
18. BF200D • BF225D • BF
250D iST
®
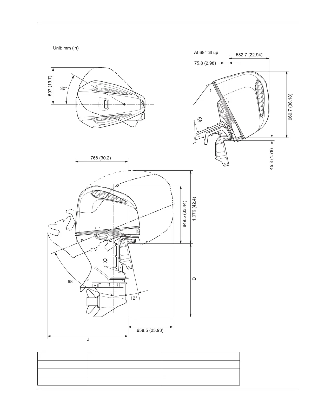
DIMENSIONAL DRAWINGS
Shaft length type D J
L 939.5 mm (36.99 in) 1,062 mm (41.8 in)
XL 1,066.5 mm (41.99) 1,173.5 mm (46.20 in)
UL 1,193.5 mm (46.99 in) 1,287.5 mm (50.69 in)