EasyManua.ls Logo

Jacobsen LF 3800

Jacobsen LF 3800
270 pages
Go to English
To Next Page IconTo Next Page
To Next Page IconTo Next Page
To Previous Page IconTo Previous Page
To Previous Page IconTo Previous Page
Loading...
58
> Change from previous revision
1
2
3
4
5
6
7
8
9
10
3
7
LF 3400 / LF 3800
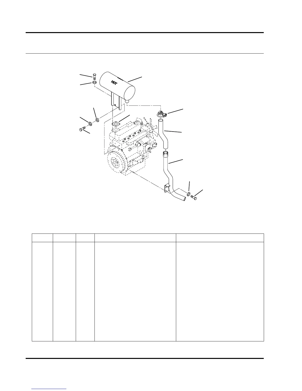
14.1 Engine Exhaust
Serial No. All
Item Part No. Qty. Description Serial Numbers/Notes
1
1004653 1 Muffler LF 3400 & 3800 Only
1
1002931 1 Muffler LF 3400 Turbo, LF 4675, LF 4677
2 1004598 1 Tailpipe
3 363586 6 Screw, M8-1.25 x 20mm Hex Head
4 452006 2 Flat Washer, 5/16
5 363485 2 Lockwasher, M10 Heavy
6 366884 2 Bolt, M10-1.25 x 25mm Hex Head
7 446136 6 Lockwasher, 5/16 Heavy
8 553020 1 Gasket, Exhaust
9 348856 1 Clamp, Exhaust
10 3007889 1 Sleeve Insulating

Table of Contents

Other manuals for Jacobsen LF 3800

Related product manuals