EasyManua.ls Logo

Jasic MIG160PFC - Appendixes; Appendix 1: Wiring Diagram

Jasic MIG160PFC
70 pages
Print Icon
To Next Page IconTo Next Page
To Next Page IconTo Next Page
To Previous Page IconTo Previous Page
To Previous Page IconTo Previous Page
Loading...
Page 55
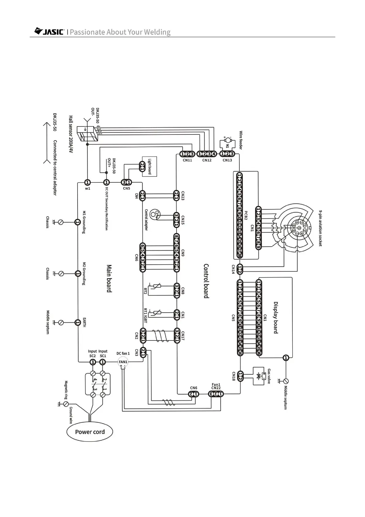
Appendixes
Appendix 1: Wiring diagram
Wiring diagram 1 - MIG160/MIG200
Note! Some models do not support PCB2 and 9-pin aviation socket. Please confirm with the
seller whether the machine supports this function before purchasing.

Related product manuals