EasyManua.ls Logo

Jaybeam Wireless 5157120 - Hardware for Mechanical Tilt

Default Icon
20 pages
Print Icon
To Next Page IconTo Next Page
To Next Page IconTo Next Page
To Previous Page IconTo Previous Page
To Previous Page IconTo Previous Page
Loading...
Issue 05
Page
17/20
Installation Guide for 3G Antennas
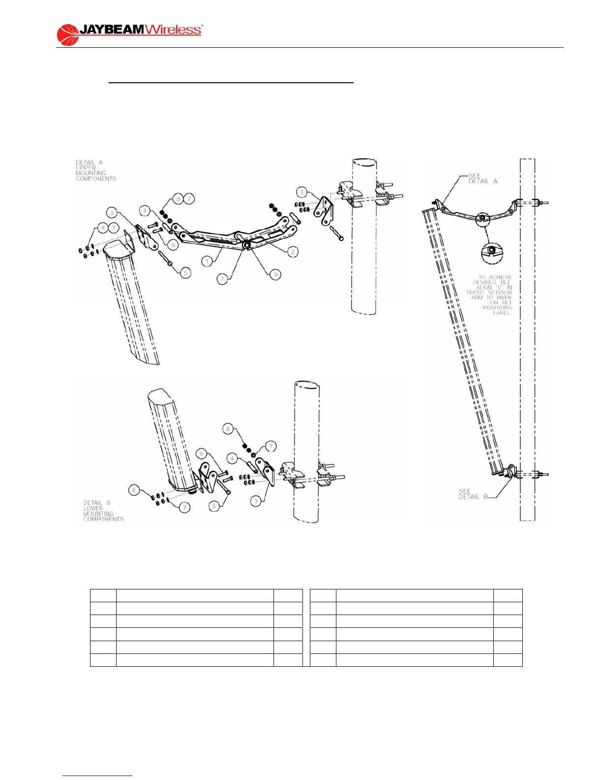
3.4 - Hardware for mechanical tilt on pole mounting
The accessory p/n 0900374/00 is a kit that adds mechanical tilt capability to the pole mounting or wall
mounting accessories described above. It cannot be used on its own.
The figures and part list next page describe the kit and how to assemble it on the antenna.
0900374/00 or 0900474/00 or 0900415/00 part list
item description quantit
y
item description quantit
y
1 Long scissor arm 1 6 M8 x 30 mm hex head screw 4
2 Short scissor arm 1 7 M8 plain washer 9
3 Scissor mounting bracket 4 8 M8 full nut 16
4 Spacing tube 4 9 Tilt position label (not for 0900415/00) 1
5 M8 x 130 mm hex head bolt 4