EasyManua.ls Logo

Jaybeam Wireless 5157120 - Hardware for Mechanical Tilt

Default Icon
20 pages
Print Icon
To Next Page IconTo Next Page
To Next Page IconTo Next Page
To Previous Page IconTo Previous Page
To Previous Page IconTo Previous Page
Loading...
Issue 05
Page
10/20
Installation Guide for 3G Antennas
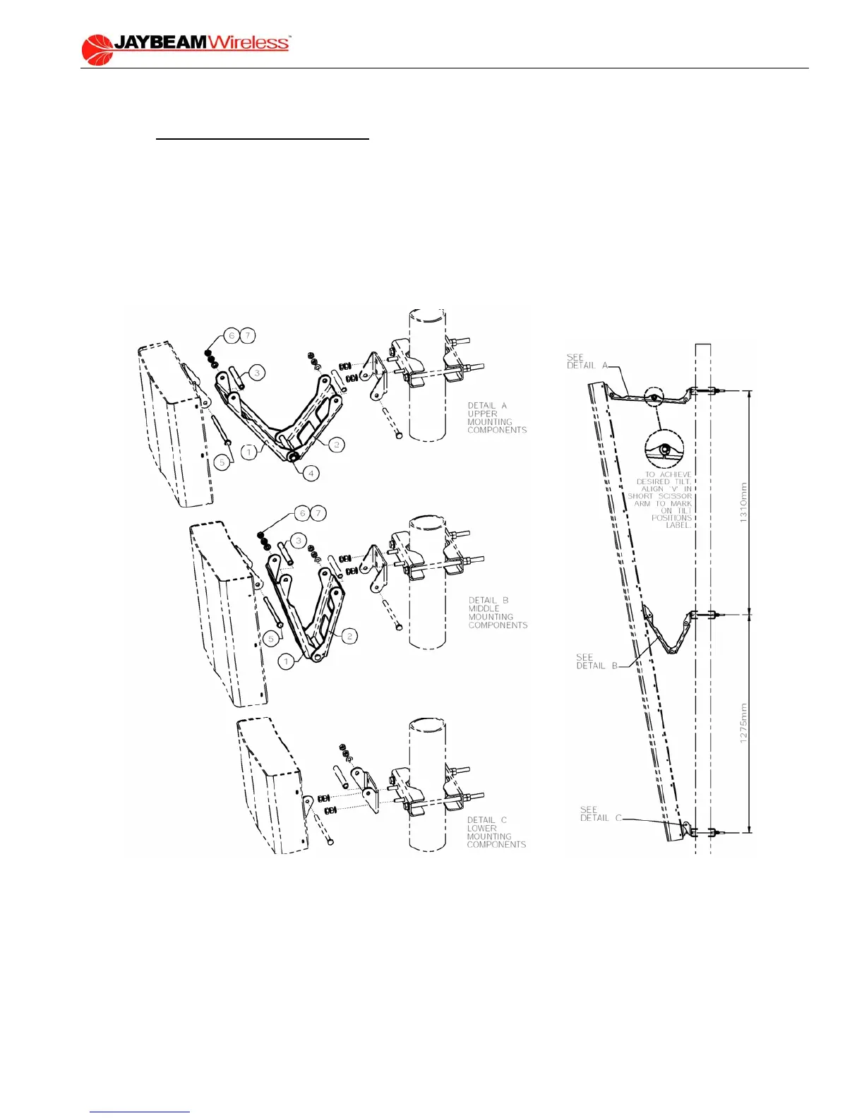
2.4 - Hardware for mechanical tilt
This accessory is used to add mechanical tilt capability to the mounting accessories described above for
installation. The part number for the mechanical tilt hardware depends on the antenna type because each
tilt indicator label on one of the scissor arms differs for various lengths of antennas. A letter printed on the
tilt indicator label helps to distinguish between the various types (see table in section 1).
The figures and part list below describe the kit and how to assemble it on the antenna. The middle
components do not apply to antenna with only pivots at top and bottom.
The top scissor has a tilt angle indicator label.
The accessory parts list is given next page.