EasyManua.ls Logo

Jaybeam Wireless 5157120 - Hardware for Pole Mounting (Large)

Default Icon
20 pages
Print Icon
To Next Page IconTo Next Page
To Next Page IconTo Next Page
To Previous Page IconTo Previous Page
To Previous Page IconTo Previous Page
Loading...
Issue 05
Page
6/20
Installation Guide for 3G Antennas
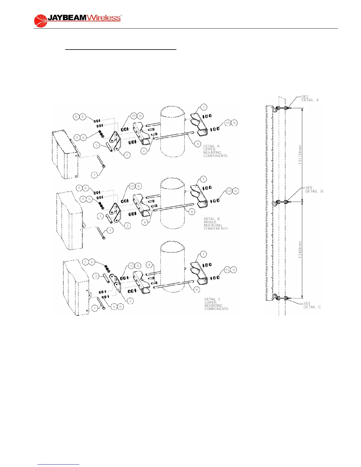
2.2 - Hardware for pole mounting (large)
This accessory is used for installation on pipes of 70 to 150 mm diameter.
The figures and part list below describe the kit and how to assemble it on the antenna. The middle
components do not apply to antenna with only pivots at top and bottom.
The accessory parts list is given next page.